EasyManua.ls Logo

Piper Warrior III - EMERGENCY LOCATOR TRANSMITTER (ELT)

Piper Warrior III
1104 pages
Print Icon
To Next Page IconTo Next Page
To Next Page IconTo Next Page
To Previous Page IconTo Previous Page
To Previous Page IconTo Previous Page
Loading...
J640
7
8
3
2
1
9
14
WARNING
HORN
STALL
3K 1/2 WATT
ALERT HORN
EXCEEDANCE
E7T20
E7A20
MFD
7.5
CB4
W6B20N
PITOT HEAT
OFF/INOP
STARTER ENG
ANNUNCIATOR PANEL
10
LOW BUS VOLT
CARB ICE
(OPT)
CB5
DAU
ENGINE
HOURS
M3C20N
M1C20
5
STALL WARNING
CB8
F1A20
F1B20
CB14
5
30
MAIN BUS
E7S22
0
0
0
0
INSTRUMENT PANEL
W8B20
TO PITOT HEAT SWITCH
*
A
B
C
F
P6C20
W11A20
TO P310-2
*
E1A20
W2A20
W6A20
RZ1A20
P300
P420
INSTRUMENT PANEL
INSTRUMENT PANEL
LIGHTS
OVERHEAD
L2A20
P300
L6A20
19
21
24
25
23
22
28
31
17
26
27
W1A20
TO PITOT HEAT
SWITCH
*
TO P311-2
*
C
NC
P
OIL PRESS
SWITCH
AFT ENGINE FIREWALL
NO
P6A22
P5A22
P7A22
7
9
36
J530
MFD
13
15
14
12
11
16
OIL PRESS
E
5
3
4
ALT INOP
D
6
2
1
GB4-A
101902-SHT 12-J / M
TO
AVIONICS HARNESS
DAY
2
TEST
W3C20
3
2
3
ANNUN. PANEL
CB14
5
MAIN
BUS
NIGHT
W3A20
W4A20
W5A20
W7A20N
W8A20
GB4-B
1
4
5
6
5
4
6
1
W13A20
W16A20
W15A20
8
9
7
W14A20
2
1
2
1
3
P334
MTA-206N
SWITCH
W/ KEYW
AY
DOWN
7301SYZQE
SWITCH
W/ KEYWAY
DOWN
3
2
9
8
1
7
5
6
4
4
5
6
1
2
3
*
SEE 91-30-30, FIGURE 1, SHEET 2
1
DME HOLD
(OPT)
1
1A
ELT
P8B20
P8A20
J501
J316
P315
PIPER AIRCRAFT, INC.
PA-28-161, WARRIOR III
MAINTENANCE MANUAL
PAGE 5
Nov 30/06
5I11
91-31-50
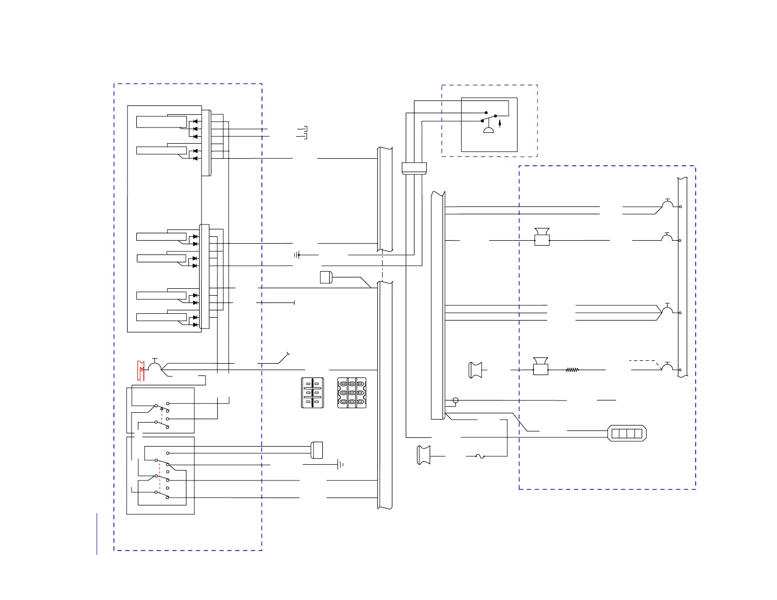
Annunciator
Figure 1 (Sheet 5 of 6)
Effectivity
2842218 thru 2842256
with Avidyne Entegra

Table of Contents

Related product manuals