EasyManua.ls Logo

Raider 50 - Tiller Handle

Default Icon
246 pages
Print Icon
To Next Page IconTo Next Page
To Next Page IconTo Next Page
To Previous Page IconTo Previous Page
To Previous Page IconTo Previous Page
Loading...
Bracket
GB
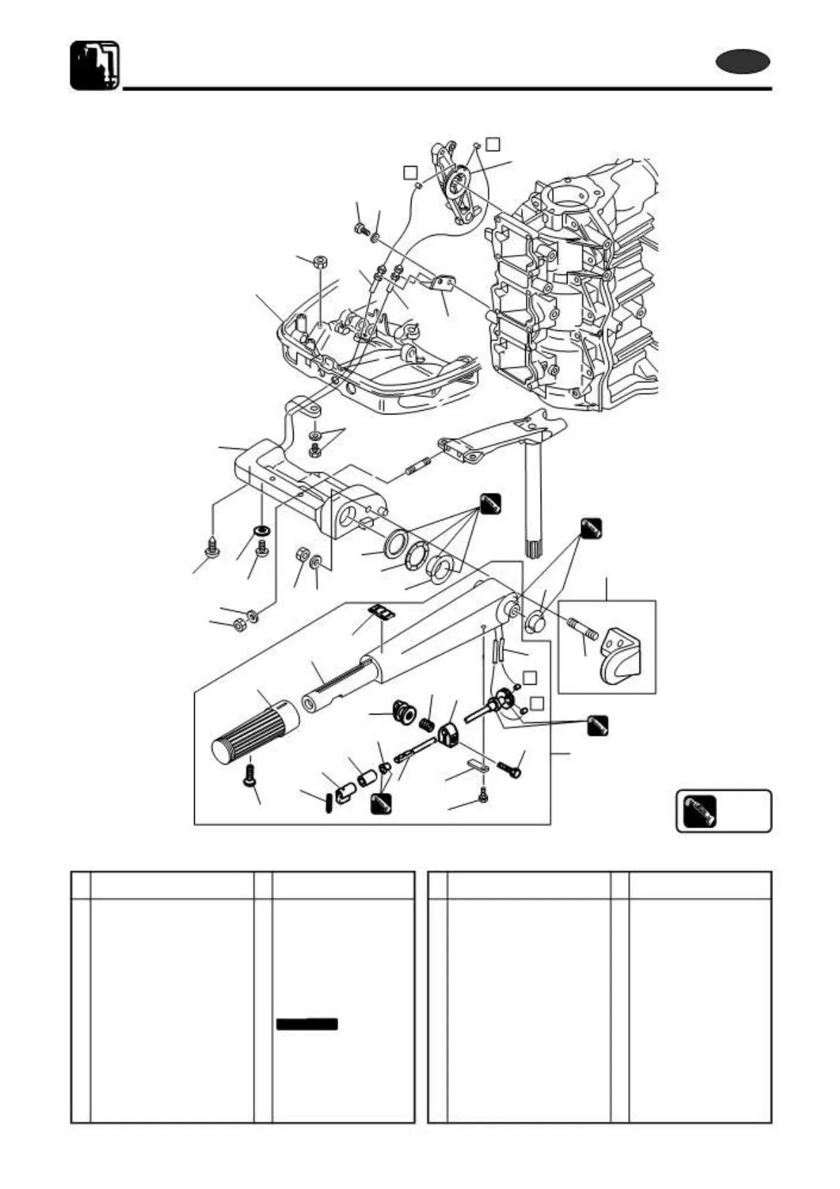
Tiller Handle
P/L Fig. 21
OBM
OBM
OBM
OBM
OBM
OBM
Ref.
No.
Description Q'ty Remarks
OBM
OBM
OBM
OBM
Ref.
Description Q'ty Remarks
No.
1 Steering Bracket 1 18 Bolt 1
2 Nylon Nut 8-P1.25 2 19 Throttle Decal 1
3 Washer 2 20 Bushing 1
4 Tiller Handle Ass'y 1 21 Washer 30-45-1 1
5 Tiller Handle 1 22 Wave Washer 30-45-1.2 1
6 Grip 1 23 Bushing 1
7 Throttle Shaft 1 24 Washer 1
8 Throttle Shaft Damper 1 25 Nut 10-P1.5 1
9 Spacer 1 26 Throttle Wire 2
10 Spring Pin 3-10 1
Do not reuse.
27 Clip 1
11 Bushing 8.4-10-11 1 28 Throttle Wire Bracket 1
12 Screw 1 29 Bolt 2
13 Throttle Shaft Support 1 30 Washer 2
14 Bolt 1 31 Washer 6-16-1.5 1
15 Friction Piece 1 32 Screw 1
16 Adjusting Nut 1 33 Tiller Handle Holder Ass'y 1
17 Spring 1 34 Stud 1
7-10
2st X50D2 2011

Table of Contents