EasyManua.ls Logo

Raider 50 - Parts Layout; Engine

Default Icon
246 pages
Print Icon
To Next Page IconTo Next Page
To Next Page IconTo Next Page
To Previous Page IconTo Previous Page
To Previous Page IconTo Previous Page
Loading...
Power Unit
GB
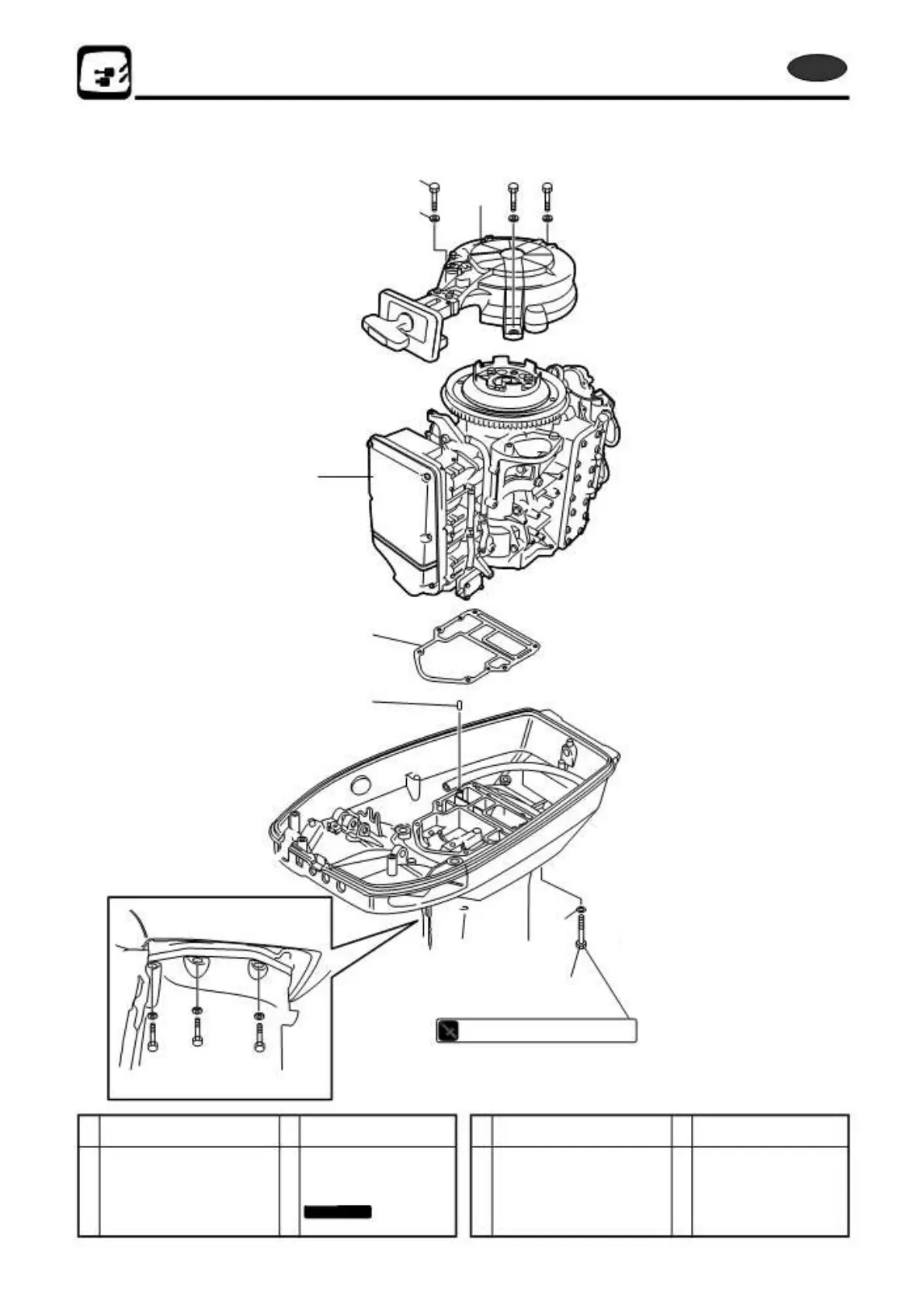
2. Parts Layout
Engine
Ref.
No.
Description Q'ty Remarks
Ref. Description Q'ty Remarks
No.
1 Power Unit 1 7 Bolt 6
2 Recoil Starter Assembly 1 8 Washer 6
3 Bolt 3 9 Apron 1
4 Washer 3 10 Seal 1
5 Engine Basement Gasket 1 Do not reuse. 11 Screw 1
6 Dowel Pin 2 12 Nylon Nut 1 (5-P0.8)
5-4
2

Table of Contents