EasyManua.ls Logo

Raider 50 - Bracket Manual Tilt

Default Icon
246 pages
Print Icon
To Next Page IconTo Next Page
To Next Page IconTo Next Page
To Previous Page IconTo Previous Page
To Previous Page IconTo Previous Page
Loading...
Bracket
GB
Bracket Manual Tilt
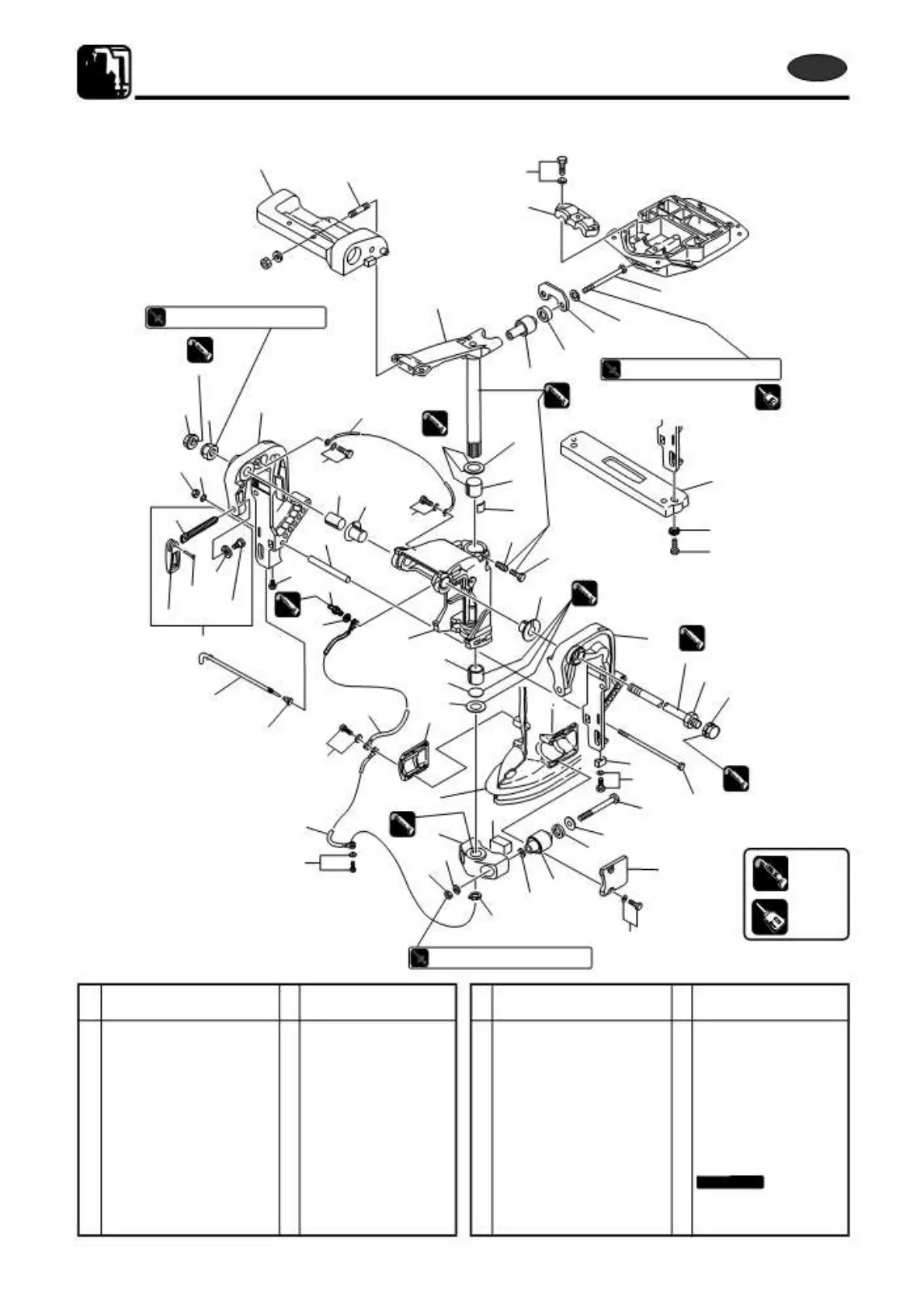
P/L Fig. 17
OBM
OBM
OBM 1342
OBM
1342
OBM
OBM
OBM
OBM OBM
OBM
OBM
OBM
OBM
OBM
OBM
OBM
OBM
OBM
1342
1
342
Ref.
No.
1
2
3
4
5
6
7
8
9
10
11
12
13
14
15
Description Q'ty
Clamp Bracket (R) 1
Bolt 1
Clamp Bracket (L) 1
Anode 1
Bolt 1
Swivel Bracket Shaft Ass'y 1
Nylon Nut 7/8 1
Bushing 26-32 2
Bushing 22-25-35.5 1
Cap Nut 2
Distance Piece 1
Nut 1
Washer 1
Bolt 8-170 1
Thrust Rod 1
Ref.
Remarks
No.
Stern Bracket (Right) Starboard Side
16
17
Stern Bracket (Left) Port Side 18
19
20
Bracket Bolt 21
22
23
24
25
26
27
28
29
30
Description Q'ty Remarks
Thrust Rod Spring 1
Swivel Bracket 1
Grease Fitting 1
Washer 1
Friction Piece 1
Friction Spring 1
Bolt 1
Steering Shaft Ass'y 1
Bushing 26-32 2
Thrust Plate (Upper) 27-50-1 1
Thrust Plate (Lower) 26.5-46-1 1
O-Ring 3.5-25.7 1 Do not reuse.
C-Ring d=25 1
Rubber Mount (Lower) 2
Mount Bracket 1
7-4
2st X50D2 2011

Table of Contents