EasyManua.ls Logo

Raider 50 - Throttle

Default Icon
246 pages
Print Icon
To Next Page IconTo Next Page
To Next Page IconTo Next Page
To Previous Page IconTo Previous Page
To Previous Page IconTo Previous Page
Loading...
Power Unit
GB
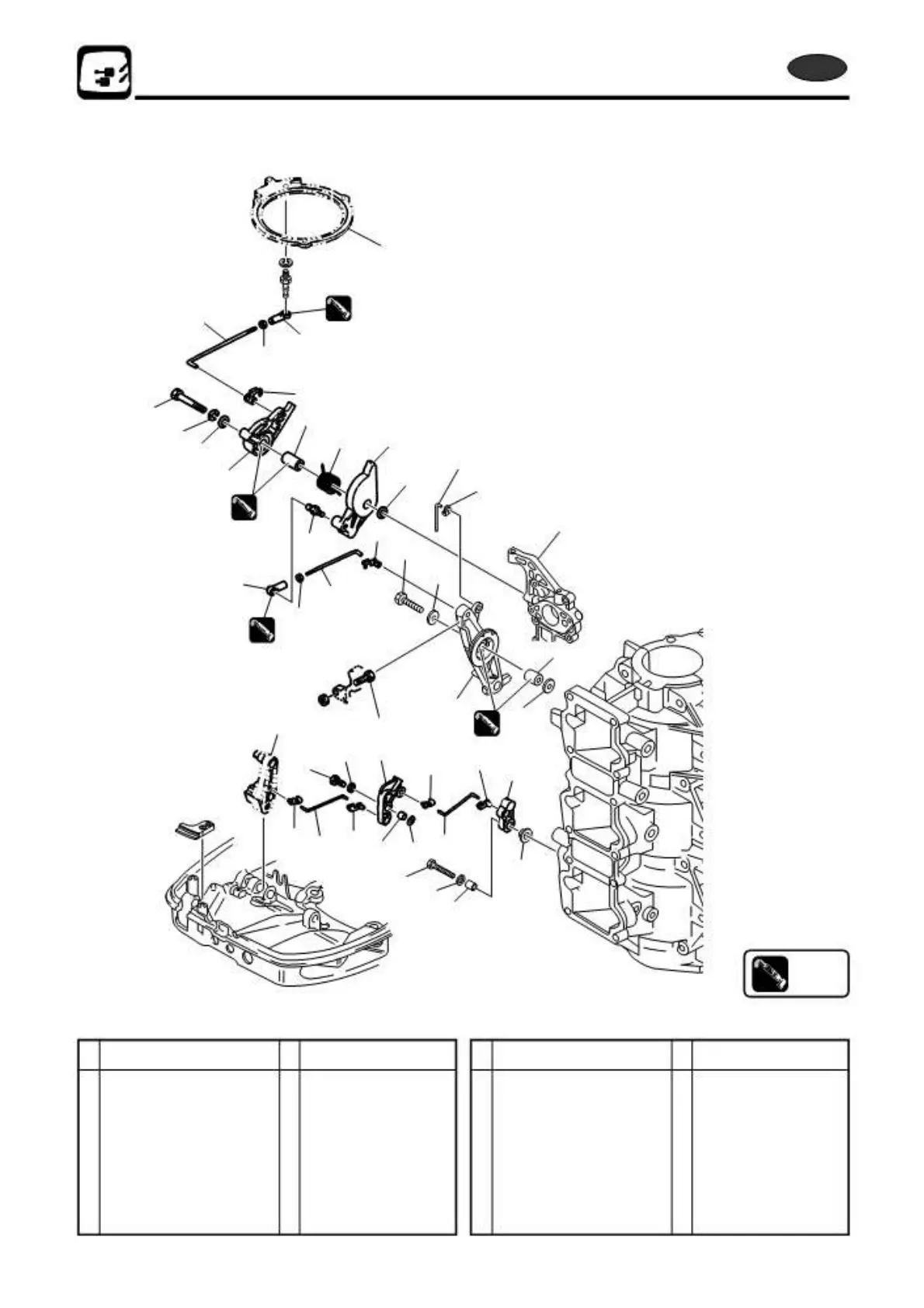
Throttle P/L Fig. 6
LIT
LIT
LIT
LIT
LIT
LIT
LIT
LIT
LIT
LIT
Ref.
No.
Description Q'ty Remarks
Ref.
Description Q'ty Remarks
No.
1 Advancer Arm 1 12 Collar 6.5-10.5-26.3 1
2 Bolt 1 13 Ball Joint 1
3 Washer 6.5-21-1 2 14 Rod 5-90 1
4 Collar 6.2-12-17 1 15 Ball Joint Connector 1
5 Rod Snap 5-3 2 16 Throttle Rod 5-105 1
6 Throttle Cam 1 17 Ball Joint Connector 1
7 Spring 1 18 Nut 2
8 Advancer Lever 1 19 Rod Snap 5-3 1
9 Bolt 1 20 Throttle Limiter Arm 1
10 Washer 6-16-1.5 2 21 Bolt 1
11 Spring Washer 1 22 Washer 2
5-16
2st X50D2 2011

Table of Contents