EasyManua.ls Logo

Raider 50 - Page 89

Default Icon
246 pages
Print Icon
To Next Page IconTo Next Page
To Next Page IconTo Next Page
To Previous Page IconTo Previous Page
To Previous Page IconTo Previous Page
Loading...
Power Unit
GB
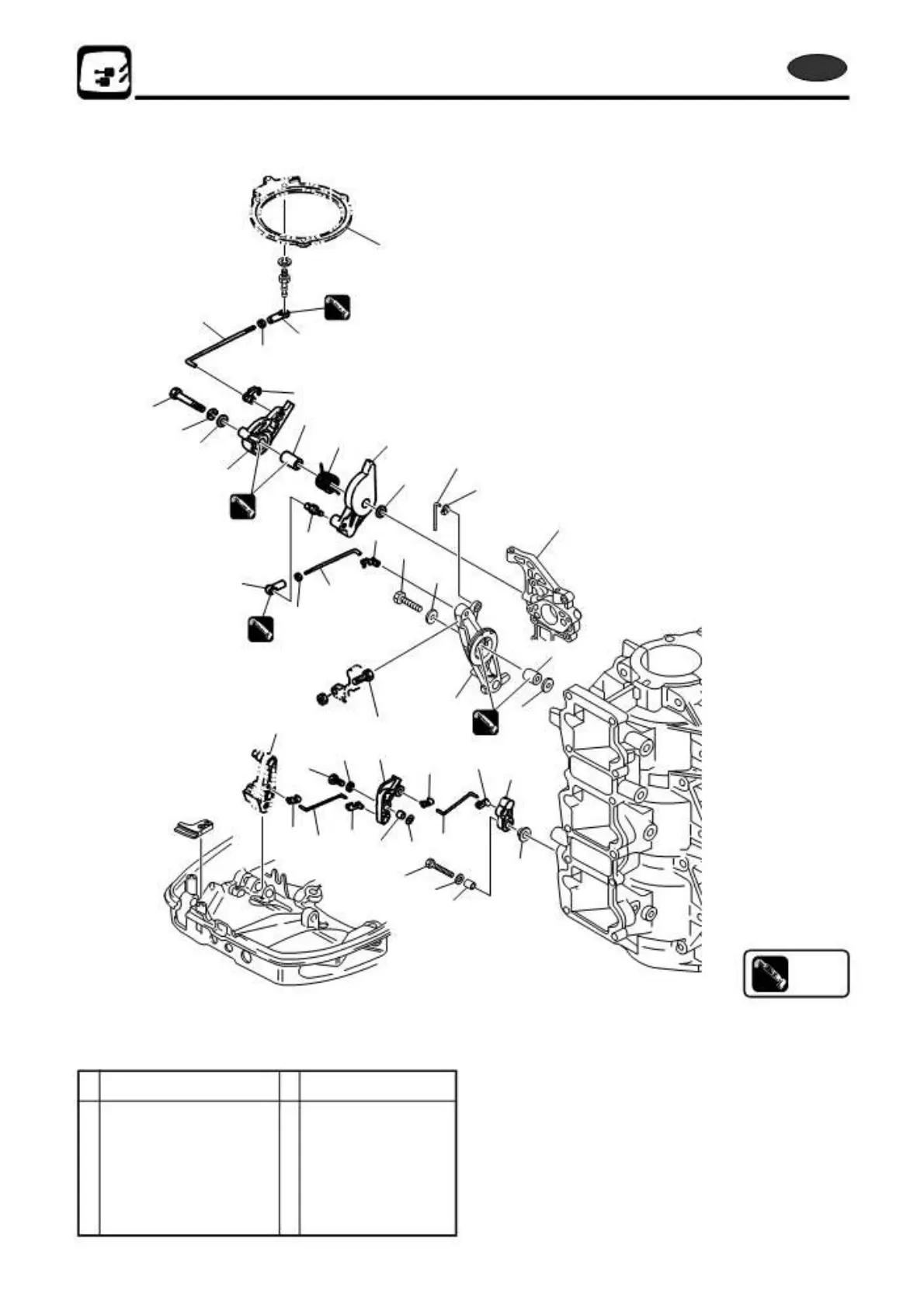
P/L Fig. 6
LIT
LIT
LIT
LIT
LIT
LIT
LIT
LIT
LIT
LIT
Ref. No.
Description Q'ty Remarks
23 Collar 6.2-9-9.3 1
24 Throttle Limiter Rod 3.5-56 1
25 Rod Snap 3.5-4 2
26 Throttle Limiter Rod 3.5-56 1
27 Rod Snap 3.5-4 2
28 Starter Lock Arm 1
29 Bolt 1
30 Washer 2
31 Collar 6.2-9-9.3 1
5-18
2st X50D2 2011

Table of Contents