EasyManua.ls Logo

Raider 50 - Inspection of Stop Switch

Default Icon
246 pages
Print Icon
To Next Page IconTo Next Page
To Next Page IconTo Next Page
To Previous Page IconTo Previous Page
To Previous Page IconTo Previous Page
Loading...
Electrical System
GB
a
b
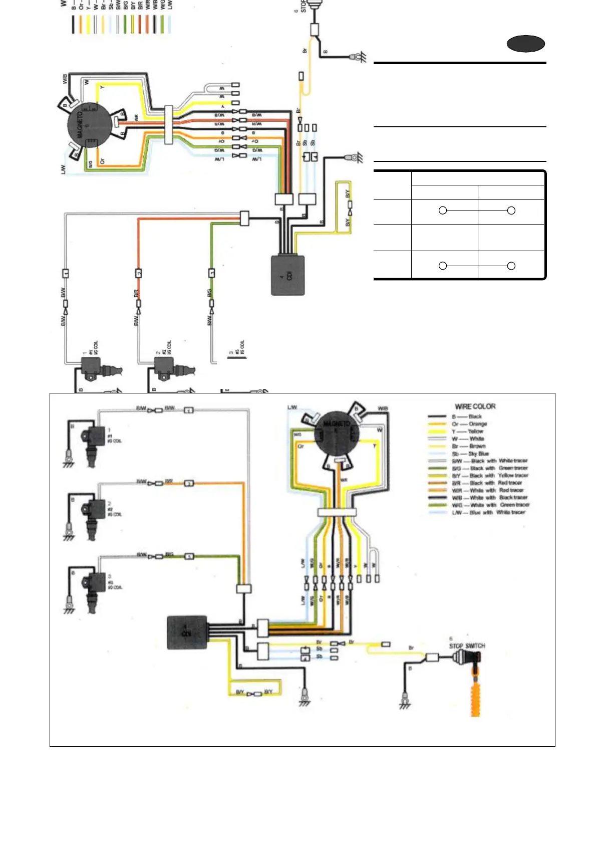
7) Inspection of Stop Switch
1.
Check conduction of stop switch, and replace if not
conductive.
This test can be made without removing parts.
Switch Position
Brown (Br) Black (B)
c
Remove lock a
Attach lock b
Press switch c
8-18
2st 50D2 2011
Raider 50 Wiring Diagram

Table of Contents