EasyManua.ls Logo

Raider 50 - Page 24

Default Icon
246 pages
Print Icon
To Next Page IconTo Next Page
To Next Page IconTo Next Page
To Previous Page IconTo Previous Page
To Previous Page IconTo Previous Page
Loading...
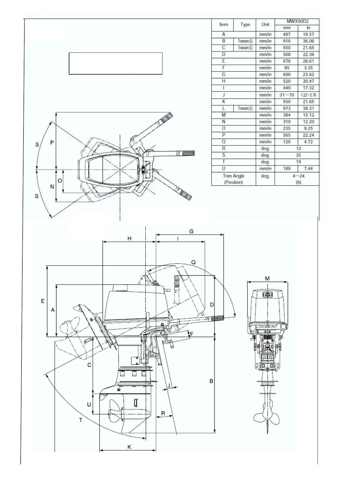
Item Type
R50ES-002
A
B
Transom (L)
C
Transom (L)
D
E
F
G
H
I
J
K
L
Transom (L)
M
N
O
P
Q
R
S
T
U
Trim Angle
(Position)
Unit
mm/in
mm/in
mm/in
mm/in
mm/in
mm/in
mm/in
mm/in
mm/in
mm/in
mm/in
mm/in
mm/in
mm/in
mm/in
mm/in
mm/in
deg.
deg.
deg.
mm/in
deg.
R50ES-002
mm in
497 19.57
916 36.06
550 21.65
568 22.36
676 26.61
85 3.35
600 23.62
520 20.47
440 17.32
31 70
1.22 2.76
550 21.65
973 38.31
384 15.12
310 12.20
235 9.25
565 22.24
120 4.72
12
35
74
189 7.44
4 24
(6)
Raider 50 (R50ES-002)

Table of Contents