EasyManua.ls Logo

Schweitzer Engineering Laboratories SEL-351 - Section 2: Installation; Relay Mounting

Schweitzer Engineering Laboratories SEL-351
614 pages
Print Icon
To Next Page IconTo Next Page
To Next Page IconTo Next Page
To Previous Page IconTo Previous Page
To Previous Page IconTo Previous Page
Loading...
Date Code 20001006 Installation 2-1
SEL-351 Instruction Manual
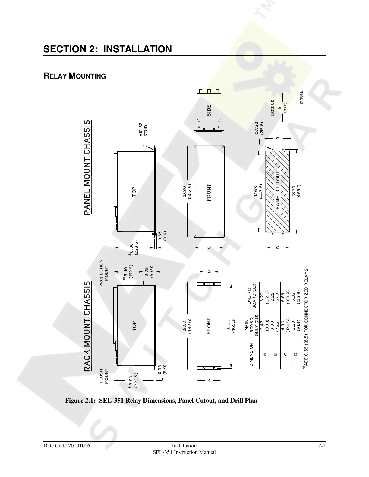
SECTION 2: INSTALLATION
RELAY MOUNTING
0.35
(8.9)
A
C
B
FRONT
MAIN
BOARD
ONLY (2U)
C
*
D
DIMENSION
A
B
6.65
(168.9)
4.90
(124.5)
3.60
(91.4)
5.35
(135.9)
ONE I/O
BOARD (3U)
3.47
(88.1)
3.00
(76.2)
5.22
(132.6)
2.25
(57.2)
D
*
0.35
(8.9)
FLUSH
MOUNT
*
TOP
PROJECTION
MOUNT
*
Ø
7/32
(
Ø
5.6)
PANEL CUTOUT
i2139b
B
in
(mm)
#10-32
STUD
TOP
2.75
(69.9)
18.31
(465.1)
8.80
(223.5)
6.40
(162.5)
8.80
(223.5)
19.80
(502.9)
17.63
(447.8)
18.31
(465.1)
19.00
(482.6)
ADD 0.65 (16.5) FOR CONNECTORIZED RELAYS
Figure 2.1: SEL-351 Relay Dimensions, Panel Cutout, and Drill Plan
Courtesy of NationalSwitchgear.com

Table of Contents

Related product manuals