EasyManua.ls Logo

Smartrise F220 - Page 130

Default Icon
279 pages
Print Icon
To Next Page IconTo Next Page
To Next Page IconTo Next Page
To Previous Page IconTo Previous Page
To Previous Page IconTo Previous Page
Loading...
129
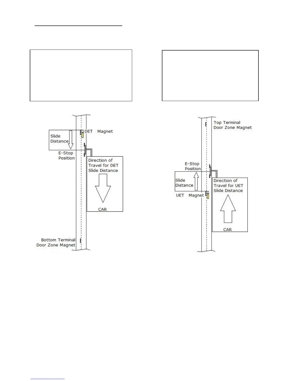
ETS Slide Distance Overview
UET Illustration
Once the distance is determined, move the
UET magnet at the top terminal landing to a
distance equal to or greater than the one
calculated in the “UET Magnet Placement
procedure.
DET Illustration
Once the distance is determined, move the DET
magnet at the bottom terminal landing to a
distance equal to or greater than the one
calculated in the “DET Magnet Placement
procedure.

Table of Contents

Related product manuals