EasyManua.ls Logo

Sony HDC4300 - Page 182

Sony HDC4300
206 pages
Print Icon
To Next Page IconTo Next Page
To Next Page IconTo Next Page
To Previous Page IconTo Previous Page
To Previous Page IconTo Previous Page
Loading...
Outside-1
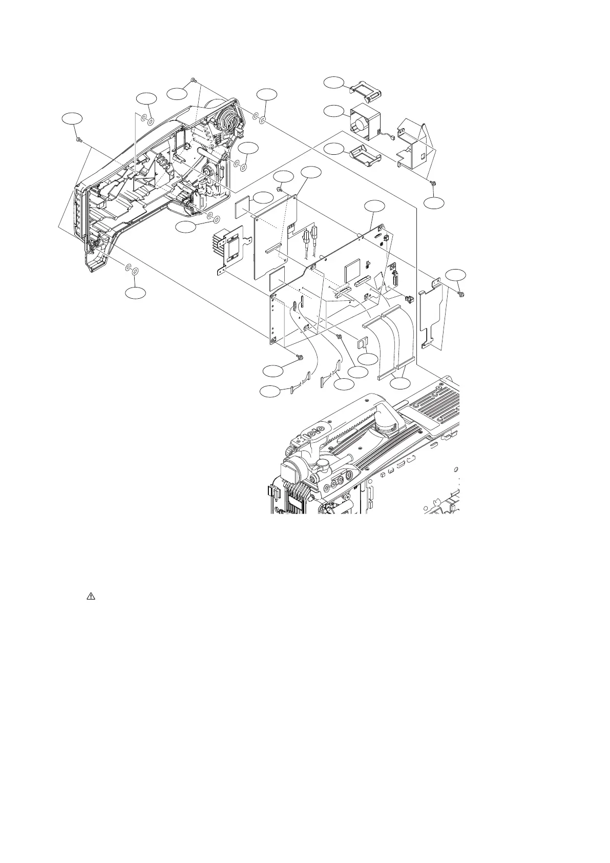
210
211
211
204
213
214
213
211
212
211
202
201
212
206
205
208
203
209
212
207
211
210
No. Part No. SP Description
201 A-1990-524-A s MOUNTED CIRCUIT BOARD, TX-146
202 A-2078-338-A s MOUNTED CIRCUIT BOARD, MEM-147
203 1-839-904-11 s FPC WITH CONNECTOR (DPR-SDI)
204 1-855-374-11 s DC FAN
205 1-969-473-11 s WIRE, CONNECTOR WITH LEAD (AVP)
206 1-970-791-11 s WIRE,CONNECTORWITHLEAD
207 3-877-896-02 s SHEET (EC REAR), RADIATION
208 2-640-315-02 o SCREW (M2X5), SMALL, +P, SW
209 3-257-200-01 s CLAMP, CORD
210 3-603-679-02 s STAINLESS SCREW +B3X10
211 3-672-250-01 s RING (M2.6), O
212 4-382-854-51 s SCREW (M3X6), P, SW (+)
213 4-546-928-01 s CUSHION (FAN)
214 4-654-273-02 s ACE (M2), LOCK [B2x5]
HDC4300
10-4

Table of Contents