EasyManua.ls Logo

Sony HDC4300 - AUDIO in Connector (CN-3425 Board)

Sony HDC4300
206 pages
Print Icon
To Next Page IconTo Next Page
To Next Page IconTo Next Page
To Previous Page IconTo Previous Page
To Previous Page IconTo Previous Page
Loading...
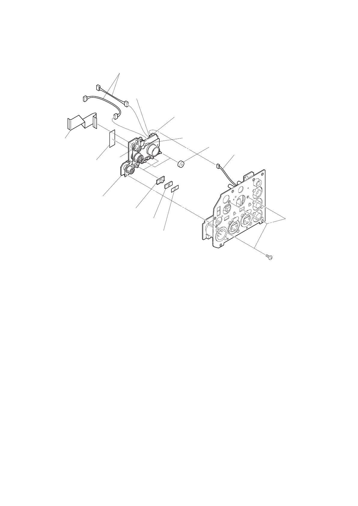
12. Remove the three screws, and detach the CN-3427 board, two cushion drop protection toggles, two SW sliding
sheets, two slide SW water resist sheets, and two slide switch covers.
Harness
Harnesses
Flexible flat cable (36 core)
CN-3427 board
Slide switch covers
Slide SW water resist sheets
SW sliding sheets
B2.6 x 5
Cushion drop protection toggles
CN1
UL tape
CN2
CN6
CN3
13. Install the removed parts by reversing the steps of removal.
4-11-2. AUDIO IN Connector (CN-3425 Board)
Preparation
1. Remove the MIC panel assembly. (Refer to“4-11-1. CN-3429 Board/CN-3427 Board” on page 4-47 )
Procedure
1. Remove the four screws, and detach the CN-3425 board.
HDC4300
4-49

Table of Contents

Related product manuals