EasyManua.ls Logo

Textron Jacobsen 600 Series - Page 256

Textron Jacobsen 600 Series
332 pages
To Next Page IconTo Next Page
To Next Page IconTo Next Page
To Previous Page IconTo Previous Page
To Previous Page IconTo Previous Page
Loading...
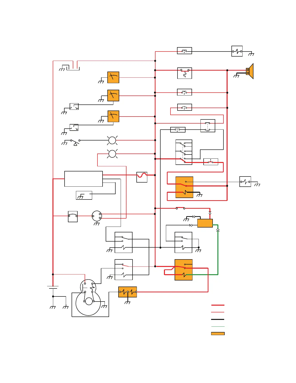
ELECTRICAL SYSTEM
10M-44
Figure 10M-10. Alarm Circuit - Mowing- Engine Overheat
V
V
V
V
V
VV
VVV
V
V
Light
Connector
Hour Meter (U2)
Fuel Gauge (U3)
Temp Guage (U4)
Fuel
Sender (R3)
Temp
Sender (R2)
Oil Pressure
Switch (SW7)
Oil Pressure Light (L2)
Alternator Light (L1)
20 Amp
Fuse (F1)
Ignition Switch (SW1)
OFF - NONE
RUN - B+I
GP - B+I+GP
START - B+I+GP+S
B
I
S
GP
Glow Plugs (R1)
Alternator (U1)
Circuit
Breaker (CB1)
40
AMP
B
I
L
Battery (B1)
Starter (M1)
Fuel Shut Off Solenoid (K7)
87A
87
87A
87A
87A
87A
87
87
8787
30
30
30
30
30
85
85
85
85
85
86
86
86
86
86
P
H
Seat Relay (K2)
Fuel Relay (K3)
Interlock Relay (K1)
Start Relay (K4)
Seat Switch (SW2)
Seat Time Delay
Modual (U5)
CE
B
D
B
S
Deck
Solenoid (K6)
PTO Disable Relay (K5)
PTO Switch (SW4)
PTO Enable
Switch (SW10)
Park Brake Interlock
Switch (SW11)
Neutral Switch (SW3)
Parking Brake Switch (SW5)
Horn Button Switch (SW8)
Temperature Switch (SW6)
Differential Lock Switch (SW9)
Horn (U6)
Flow Divider
Solenoid (K8)
Rd
Og
Bk
Bk
Bk
Bk
Bk
Bk
Bk
Bk
Bk
Bk
Bk
Bk
Og
Og
Og
Og
Og
Og
Og
Og
Og
Og
Og
Og
Og
Og
Og
Og
Og
Rd
Rd
Rd
Gn
Pk
Wh
Wh
Rd/Ye
Bk/Og
Pk
Pu
Gy
Bk/Wh
G
G
S
S
+
-
I
I
Rd/Ye
Rd/Wh
Gn/Wh
Rd/Wh
Bn
Bn
Wh/Og
Wh/Og
Gn
Og/Ye
Og/Ye
LBu
Og/Ye
Og/YeLBu
Ye
Gn/Wh
Gn/Wh
Ye
Gn/Bk DBu
DBu
DBu/Wh
DBu/Wh
Og/Ye
Og/Ye
Og/Gn
Bk
Bn/Wh
Gn
Gn/Rd
Gn/Rd
Gn/Wh
Bk
Turfcat - Alarm Circuit - Mowing - Engine Overheat
Circuit Conditions:
Key Switch Position: 1 - Run
Engine: Running
Operator: In Seat
Traction Pedal: Forward
Parking Brake: OFF
PTO: ON
Other: Temp Switch Closed
Circuit Codes
Main Power for Circuit
Secondary Power Circuit
Main Ground for Circuit
Switched Ground
Energized Component
Wire Color Code
Bk - Black
Bn - Brown
DBu - Dark Blue
Gn - Green
Gy - Grey
LBu - Light Blue
Og - Orange
Pu - Purple
Pk - Pink
Rd - Red
Wh - White
Ye - Yellow

Table of Contents

Related product manuals