EasyManua.ls Logo

Weber Markoprint X4JET - Page 152

Weber Markoprint X4JET
177 pages
Print Icon
To Next Page IconTo Next Page
To Next Page IconTo Next Page
To Previous Page IconTo Previous Page
To Previous Page IconTo Previous Page
Loading...
Appendix 72800115 Markoprint X4JET
Seite 152 von 177 GB
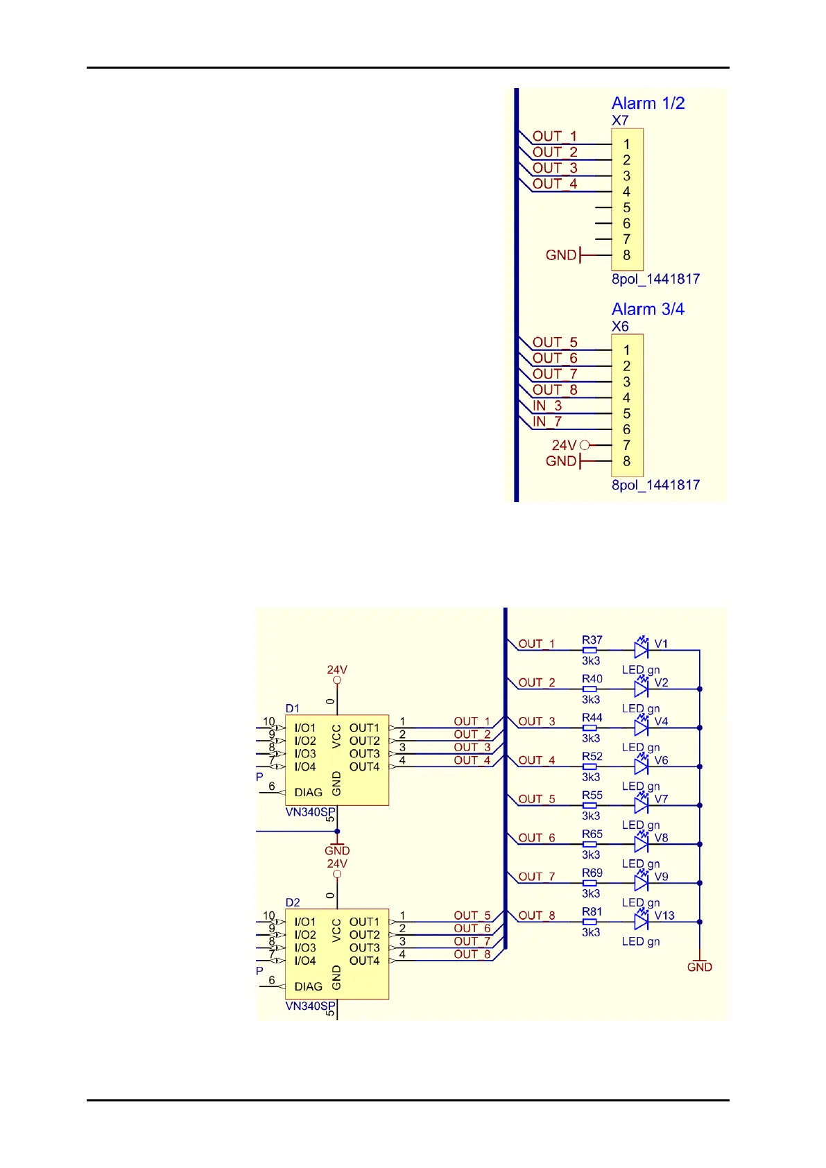
X2JET / X4JET Mainboard
LEDs on the Mainboard:

Table of Contents

Related product manuals