EasyManua.ls Logo

WEG CFW-09 - General Information; About this Manual; Software Version; About the CFW-09

WEG CFW-09
362 pages
Print Icon
To Next Page IconTo Next Page
To Next Page IconTo Next Page
To Previous Page IconTo Previous Page
To Previous Page IconTo Previous Page
Loading...
38
CHAPTER 2 - GENERALINFORMATION
Sensors:
-Groundfault
- Phase-fault
=Phase-fault only
fromsize 3and up.
Analog
Inputs
(AI1...AI2)
PC
PLC
DCS
Digital
Inputs
(DI1 ... DI6)
Internalelectronics powersuppliesand
control/powerinterfaces
RS-232
(optional)
PC
POWER
CONTROL
Three-phase
rectifier
Motor
IGBT
Inverter
Power
Supply
= DCLinkchokeconnection (optional)
onlyfromsize 2 and up.
= DB resistor connection.Up tosize 7
only. Option forsizes 4 to 7.
= DCLink connection.
Pre-
charge
SuperDrive Software
Capacitor
Bank
RFI filter
Keypad
FIELDBUS (Optional):
- Profibus DP
- DeviceNet
- EtherNet/IP
"CC9"
Control
Boardw/
32bits
"RISC"
CPU
EBA/EBBEXPANSION:
(optional)
- isolated RS-485
- 1 digital input
A
1 x14bit anal.input
2x14bitanal.outputs
B
1 isola. 4 to 20mAIn.
2 isola. 4 to 20 mA out.
- 2 digitaloutputs
- 1 encoder In/Out.
- 1 PTC input
{
{
External
Control
Analog
Outputs
(AO1...AO2)
Relay
Outputs
(RL1... RL3)
Keypad
(remote)
DCLink
Feedbacks:
-voltage
-current
PE
PE
Modbus-RTU
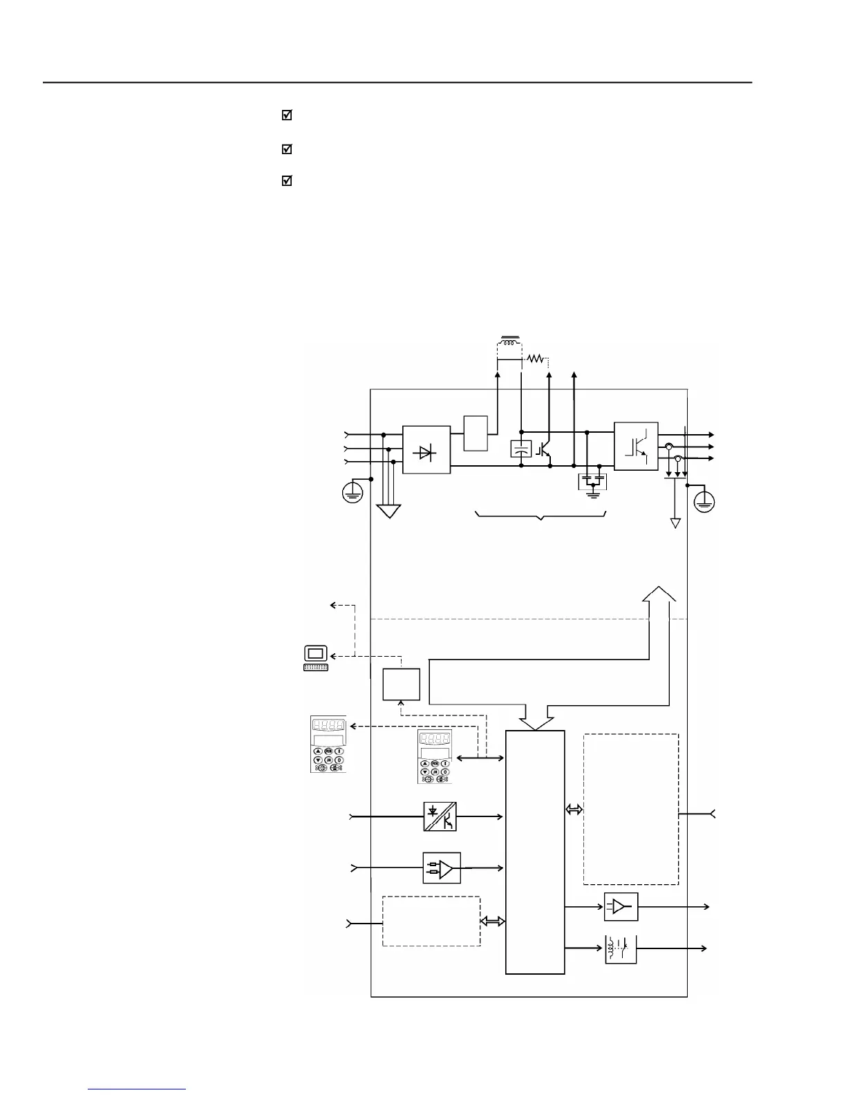
Figure 2.1
- CFW-09 block diagram
Human- MachineInterface
The Sensorless Vector Control permits high torques and quick response,
even at very low speeds and during the starting of the motor;
The “Optimal Braking function allows controlledmotor brakingwithout using
a Dynamic Braking (DB) resistor;
“Self-tuningauto-tunefunctionwithVectorControl,permittingautomaticsetting
of the control regulators and control parameters by means of the automatic
identification of the motor and the load parameters.
Technical specifications for each model of CFW-09 are described in chapter 9.
The block diagram below gives a general viewof the CFW-09:

Table of Contents

Other manuals for WEG CFW-09

Related product manuals