EasyManua.ls Logo

wsm M8540NARROW - Page 166

wsm M8540NARROW
303 pages
Print Icon
To Next Page IconTo Next Page
To Next Page IconTo Next Page
To Previous Page IconTo Previous Page
To Previous Page IconTo Previous Page
Loading...
BRAKES
M8540Narrow, M9540Narrow, WSM
N5-M1
1. PARKING BRAKE
[1] STRUCTURE
(1) ROPS Model
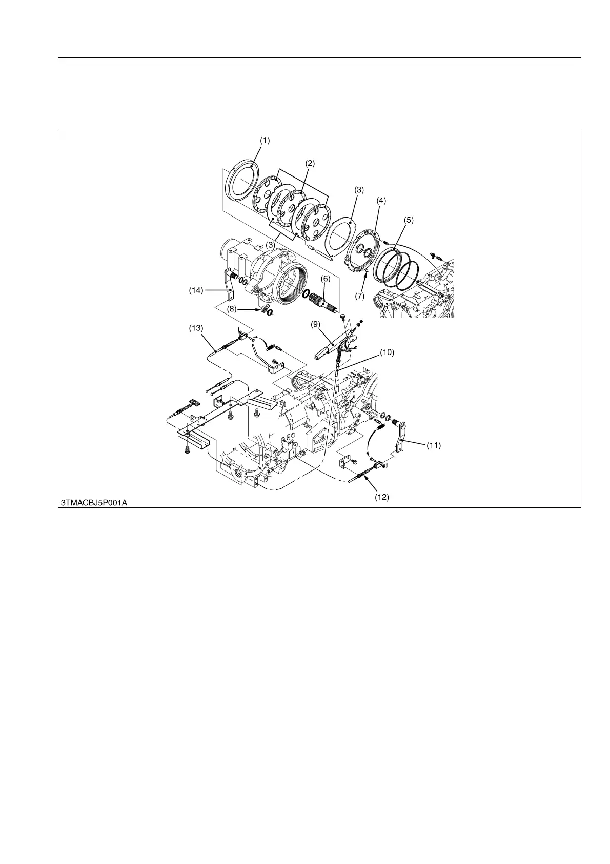
The parking brake is a mechanical type which is designed to actuate the traveling brakes.
When operate the parking hand brake lever (9), the cam plate (4) rotates by the link mechanical and the brake
cam lever (11) and (14). At the same time, the cam plate (4) moves to the steel plate (3) with the ball (7) and
depresses the brake discs (2) and brake plates (1) to brake the brake shaft (6).
The parking cable lever (10) automatically adjust the operating forces for both R.H. and L.H. side of parking cable
(12) and (13).
While the machine is parked with the engine off, the hydraulic 4WD clutch is kept disengaged. But the clutch disc
is held pressed by the spring, which means that the 4WD mechanism is still on. When the parking brake is applied,
therefore, all the 4-wheels are put on brakes to provide for greater braking effect.
9Y1210236BRM0001US0
(1) Brake Plate
(2) Brake Disc
(3) Steel Plate
(4) Cam Plate
(5) Brake Piston
(6) Brake Shaft
(7) Ball
(8) Brake Cam
(9) Parking Hand Brake Lever
(10) Parking Cable Lever
(11) Brake Cam Lever L.H.
(12) Parking Cable L.H.
(13) Parking Cable R.H.
(14) Brake Cam Lever R.H.
KiSC issued 07, 2013 A

Table of Contents