EasyManua.ls Logo

wsm M8540NARROW - Page 167

wsm M8540NARROW
303 pages
Print Icon
To Next Page IconTo Next Page
To Next Page IconTo Next Page
To Previous Page IconTo Previous Page
To Previous Page IconTo Previous Page
Loading...
BRAKES
M8540Narrow, M9540Narrow, WSM
N5-M2
(2) CABIN Model
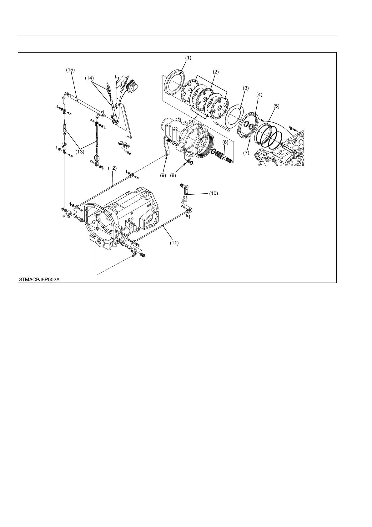
The parking brake is a mechanical type which is designed to actuate the traveling brakes.
When operate the parking hand brake lever (14), the cam plate (4) rotates by the link mechanical (turnbuckle (13)
and both brake rod (11) and (12)) and the brake cam lever (9) and (10). At the same time, the cam plate (4) moves
to the steel plate (3) with the ball (7) and depresses the brake discs (2) and brake plates (1) to brake the brake
shaft (6).
While the machine is parked with the engine off, the hydraulic 4WD clutch is kept disengaged. But the clutch disc
is held pressed by the spring, which means that the 4WD mechanism is still on. When the parking brake is applied,
therefore, all the 4-wheels are put on brakes to provide for greater braking effect.
9Y1210236BRM0002US0
(1) Brake Plate
(2) Brake Disc
(3) Steel Plate
(4) Cam Plate
(5) Brake Piston
(6) Brake Shaft
(7) Ball
(8) Brake Cam
(9) Brake Cam Lever R.H.
(10) Brake Cam Lever L.H.
(11) Brake Rod L.H.
(12) Brake Rod R.H.
(13) Turnbuckle
(14) Parking Hand Brake Lever
(15) Brake Pedal Shaft
KiSC issued 07, 2013 A

Table of Contents