EasyManua.ls Logo

Yamaha 200A - Page 77

Yamaha 200A
281 pages
Print Icon
To Next Page IconTo Next Page
To Next Page IconTo Next Page
To Previous Page IconTo Previous Page
To Previous Page IconTo Previous Page
Loading...
60H5E11
5
18 Nut 2
19 Grommet 2
20 Collar 2
21 Grommet 2
22 Washer 2
23 Washer 2
24 Washer 2
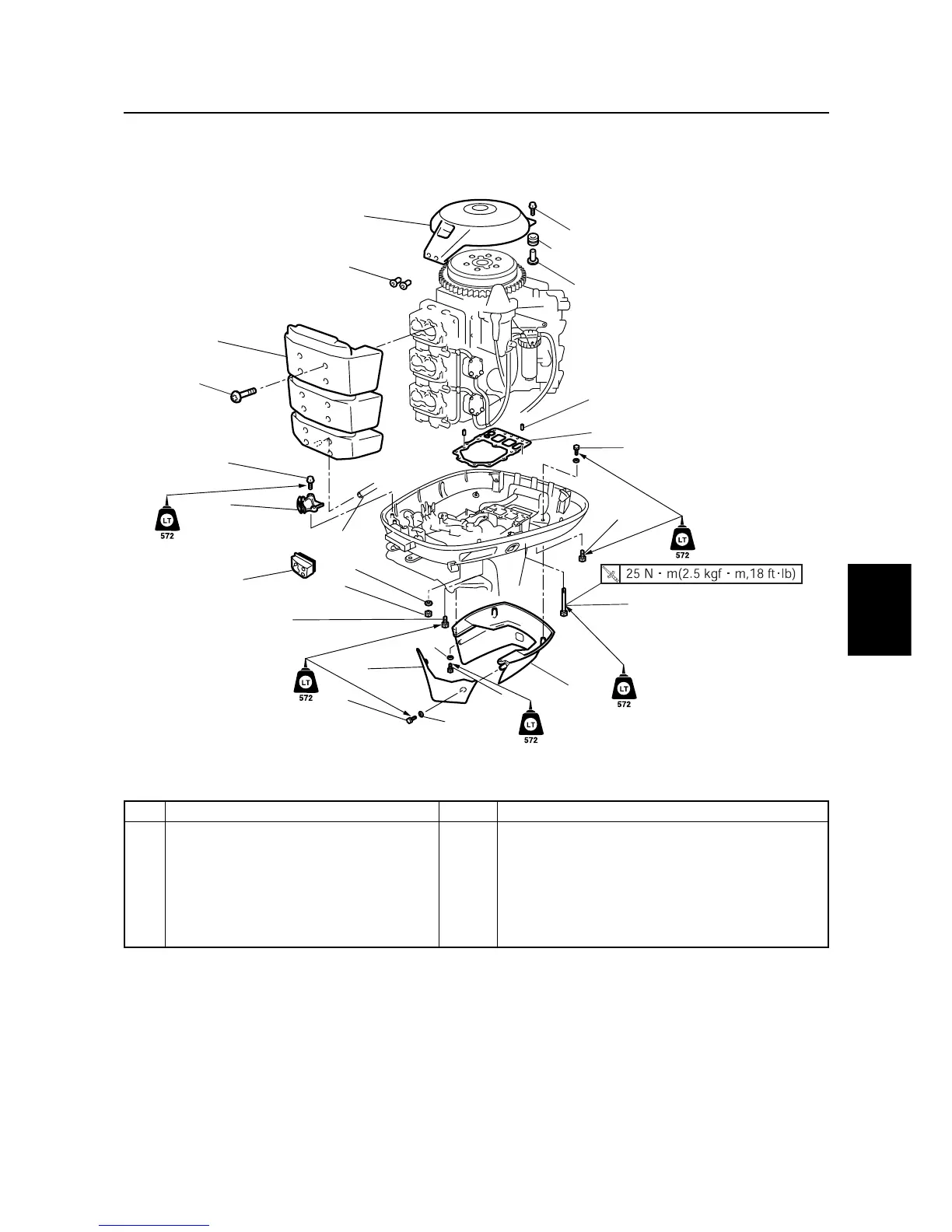
No. Part name Qty Remarks
Power unit
60H50020
5-4
11
12
9
10
1
4
5
6
8
3
2
7
19
20
13
14
15
16
17
17
18
21
22
23
24

Table of Contents

Related product manuals