EasyManua.ls Logo

Zeiss Axio Imager 2 - Page 162

Zeiss Axio Imager 2
210 pages
Print Icon
To Next Page IconTo Next Page
To Next Page IconTo Next Page
To Previous Page IconTo Previous Page
To Previous Page IconTo Previous Page
Loading...
ZEISS OPERATION Axio Imager 2
Illumination and contrast methods
162 430000-7544-001 01/2016
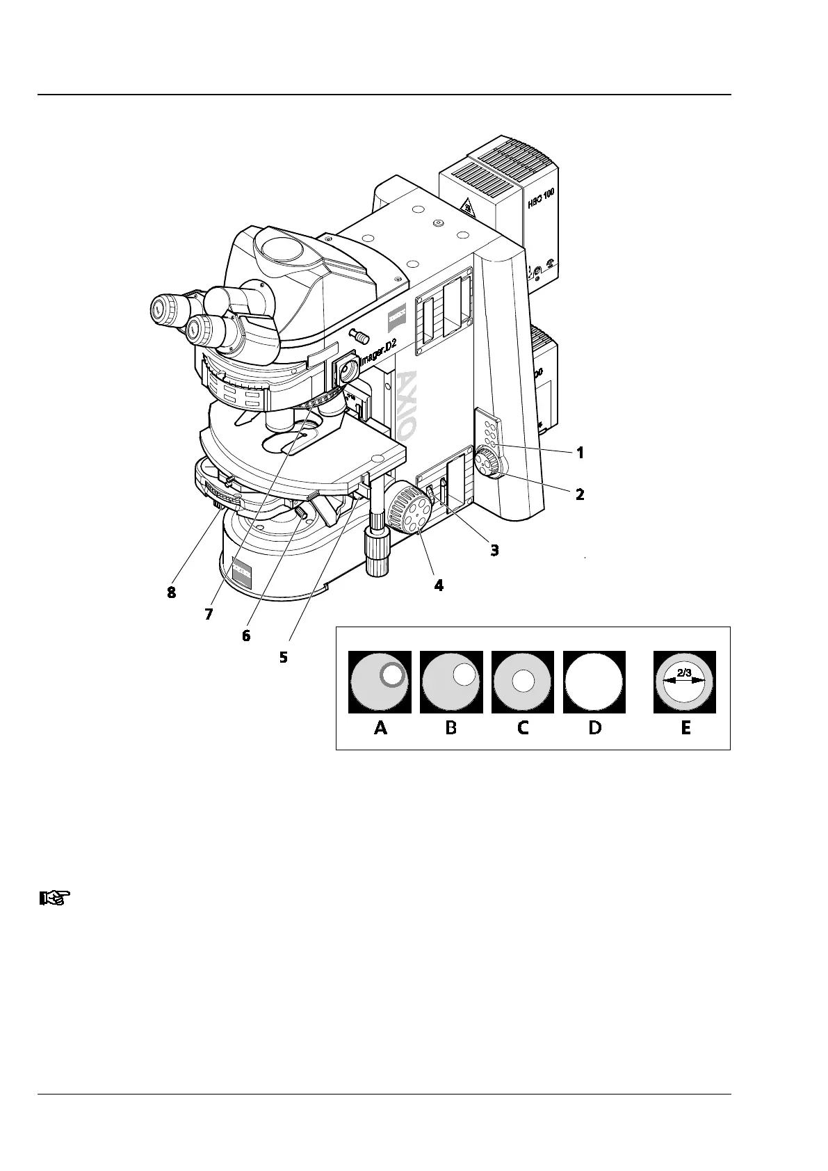
Fig. 191 Microscope settings on the Axio Imager 2 for transmitted light - brightfield
Use both centering screws (Fig. 191/6 or Fig. 192/1) on the condenser carrier to center the luminous-
field diaphragm image (Fig. 191/C). Then, open the diaphragm until its edge just disappears from the
field of view (Fig. 191/D).
When changing the condenser, the luminous-field diaphragm normally remains centered, unless
the centering screws have been adjusted.
To adjust the aperture diaphragm (contrast), remove one eyepiece from the tube and look through the
tube with the naked eye. Adjust the aperture diaphragm (Fig. 191/8) to approx. 2/3 ... 4/5 of the
diameter of the exit pupils of the objectives (Fig. 191/E). In most applications, this aperture diaphragm
setting provides optimum contrast at almost ideal resolution, and is therefore the best compromise for
the human eye.
Insert the eyepiece back in the tube socket.

Table of Contents

Related product manuals