EasyManua.ls Logo

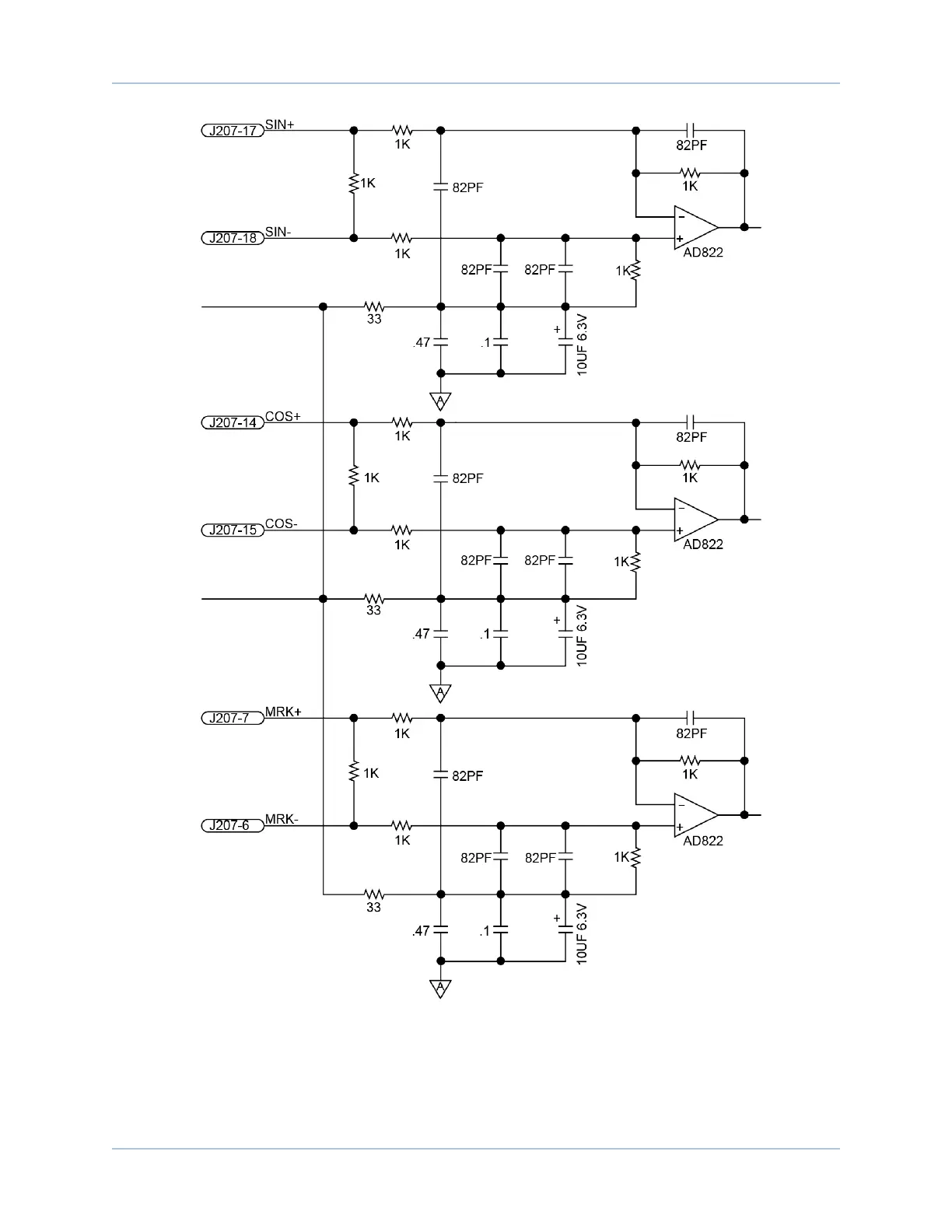
Aerotech Ensemble HLe - Figure 2-15: Analog Encoder Interface (J207)

Aerotech Ensemble HLe
112 pages
Print Icon
To Next Page IconTo Next Page
To Next Page IconTo Next Page
To Previous Page IconTo Previous Page
To Previous Page IconTo Previous Page
Loading...
40 Chapter 2 www.aerotech.com
Figure 2-15: Analog Encoder Interface (J207)
Ensemble HLe Installation and Configuration

Table of Contents

Related product manuals