EasyManua.ls Logo

Amada ML-2050A-CE - Example Connection of External Output Signals

Amada ML-2050A-CE
195 pages
Print Icon
To Next Page IconTo Next Page
To Next Page IconTo Next Page
To Previous Page IconTo Previous Page
To Previous Page IconTo Previous Page
Loading...
3. Connector Functions
111
ML-2050A/2051A/2150A
Chapter 4 Laser Welding by External Input/ Output Signals (EXTERNAL CONTROL)
Introduction Part
Installation and
Preparation Part
Operating Part Maintenance Part Appendixes
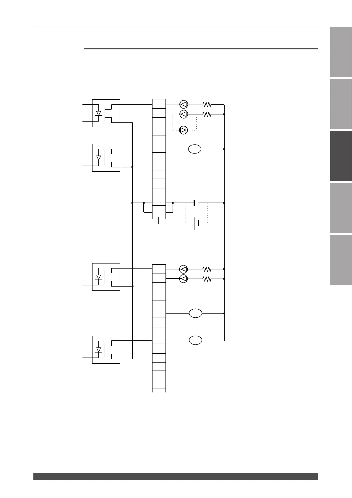
Example Connection of External Output Signals
An example of external output signal connections of the EXT.I/O connector is
explained below.
Type of output: Photo MOS relay output
Rating of output: 24 V DC, 20 mA max.
*
The polarity may be positive or negative.
Inside of the laser
   
EXT.I/O (1) Connector
EXT.I/O (2) Connector
1
2
3
4
5
6
7
8
9
10
11
12
13
1
2
3
4
5
6
7
8
9
10
11
12
13
14
D-Sub 37 pin
D-Sub 25 pin
READY
High voltage on [HV-ON]
TROUBLE
END
Monitor normal [NORMAL]
Monitor trouble [LOW/HIGH]
External input receivable
Lamp power upper limit
[CHECK THE LAMP]
Output COM
Output COM
BRANCH SHUTTER 1 OPEN
BRANCH SHUTTER 2 OPEN
BRANCH SHUTTER 3 OPEN
TIMESHARING UNIT 1 ON
TIMESHARING UNIT 2 ON
24V DC
RY
RY
RY
*
*

Table of Contents

Related product manuals