EasyManua.ls Logo

BD FACSCanto II - Fluidics Components

BD FACSCanto II
250 pages
Print Icon
To Next Page IconTo Next Page
To Next Page IconTo Next Page
To Previous Page IconTo Previous Page
To Previous Page IconTo Previous Page
Loading...
16 BD FACSCanto II Instructions for Use
Fluidics Components
Fluidics Theory of Operation
When you install tubes onto the sample injection tube (SIT), a pump within the
fluidics cart pressurizes the plenum, which then provides sheath fluid to the flow
cell. At the same time, the sample tube is pressurized and sample is pushed up the
SIT and into the flow cell.
When you remove tubes from the SIT, the cytometer cleans the SIT by flushing
sheath solution down the inside and outside of the tube. The flushed sheath
solution is aspirated by the aspirator arm.
SIT cleaning between tubes is automatic when you use BD FACSCanto clinical
software. In BD FACSDiva software, SIT cleaning between tubes is automatic
unless you disable it by deselecting the SIT Flush checkbox on the Acquisition
Dashboard.
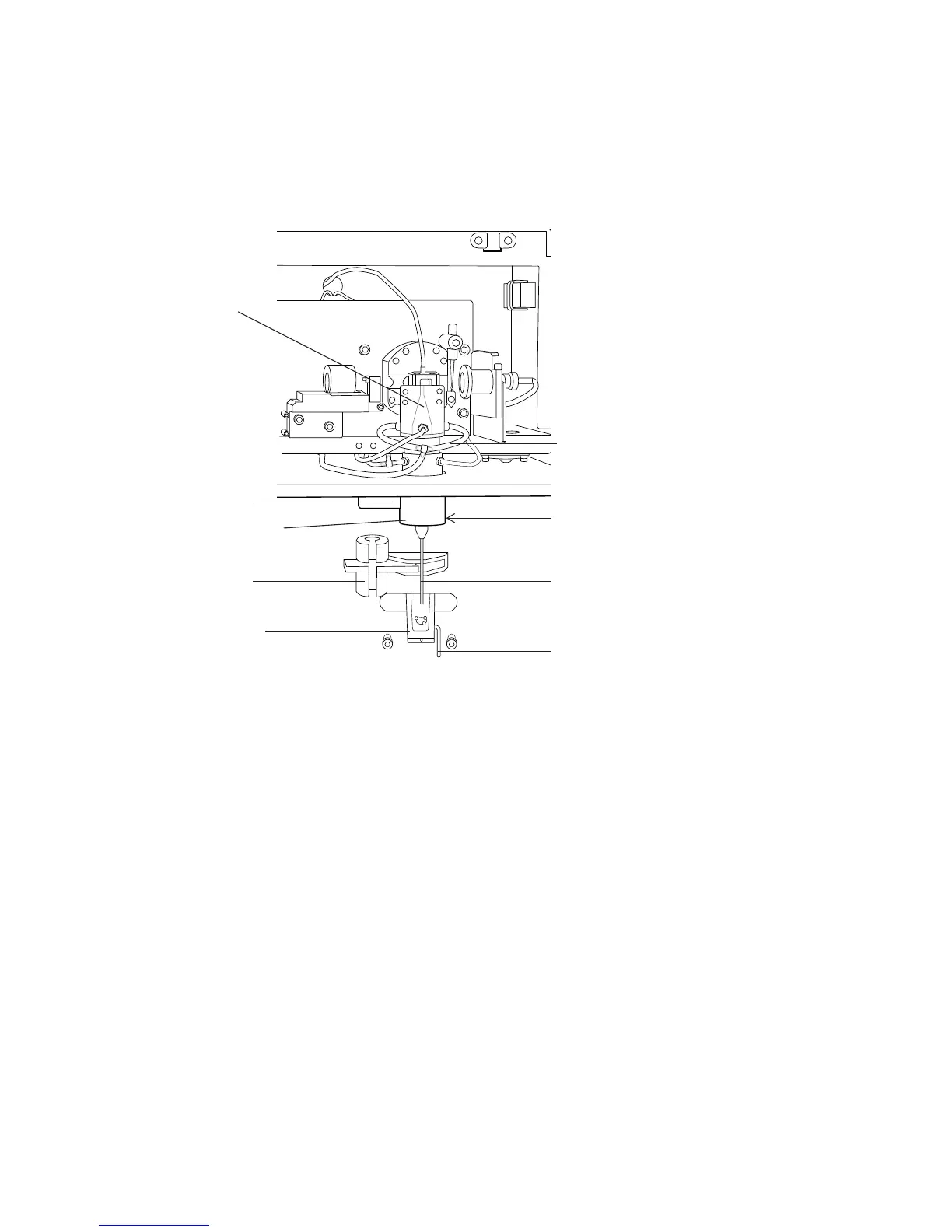
aspirator arm
tubing
aspirator arm bar
flow cell
tube guide
(Loader option only)
sample injection tube (SIT)
tube eject cylinder
(used with
Loader option only)
tube sensor
Bal seal access

Table of Contents

Other manuals for BD FACSCanto II

Related product manuals