EasyManua.ls Logo

Brother MFC-J6510DW - Page 249

Brother MFC-J6510DW
394 pages
Print Icon
To Next Page IconTo Next Page
To Next Page IconTo Next Page
To Previous Page IconTo Previous Page
To Previous Page IconTo Previous Page
Loading...
3-124
Confidential
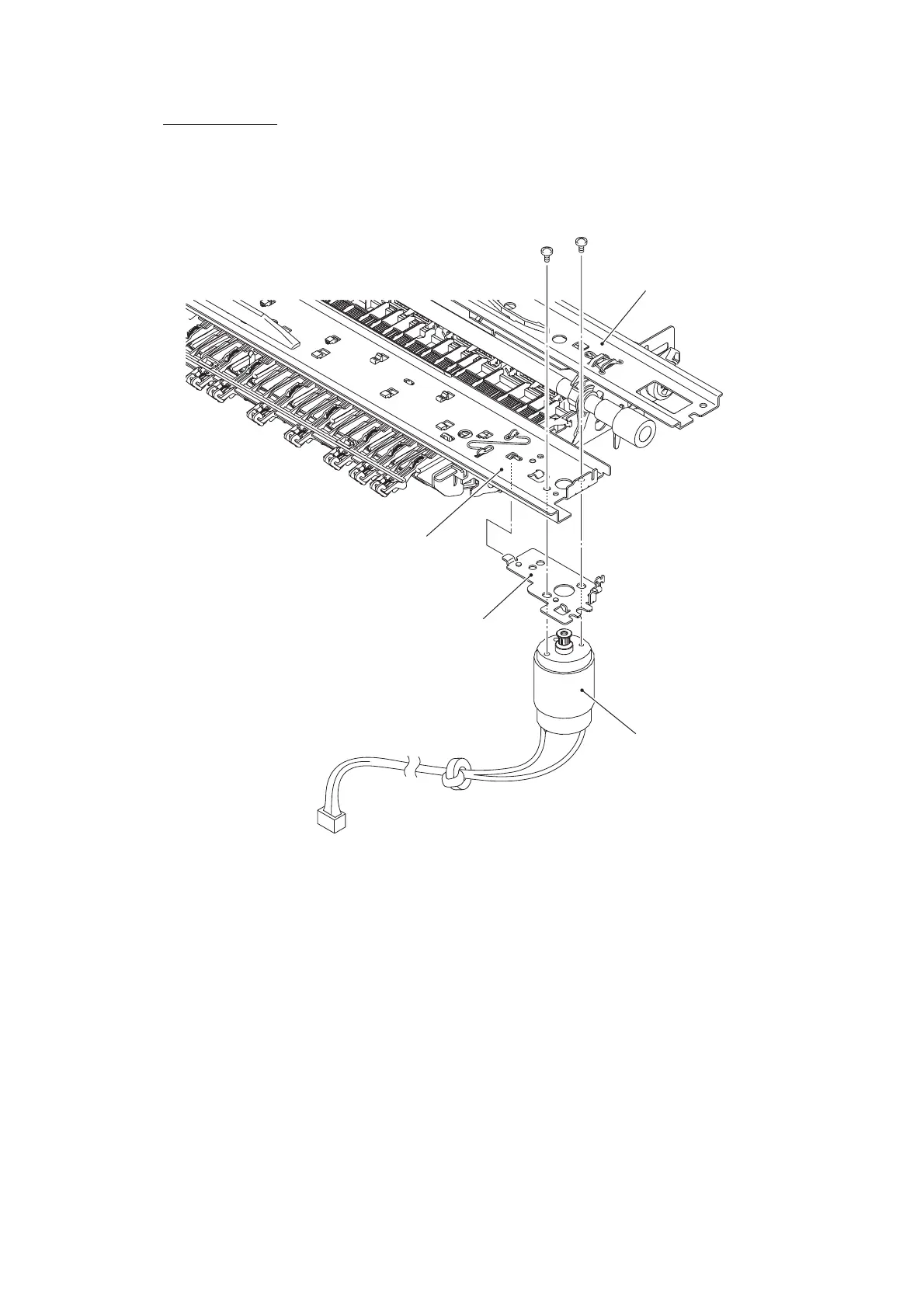
Carriage motor
(6) Remove the two screws from the CR support chassis and detach the carriage motor and its
bracket.
(3_095)
CR guide rail
Screw, bind M3x6
CR support chassis
Motor bracket
Carriage motor

Table of Contents

Other manuals for Brother MFC-J6510DW

Related product manuals