EasyManua.ls Logo

CASE CONSTRUCTION CX145D SR - Machine Components

CASE CONSTRUCTION CX145D SR
322 pages
Print Icon
To Next Page IconTo Next Page
To Next Page IconTo Next Page
To Previous Page IconTo Previous Page
To Previous Page IconTo Previous Page
Loading...
1-GENERALINFORMATION
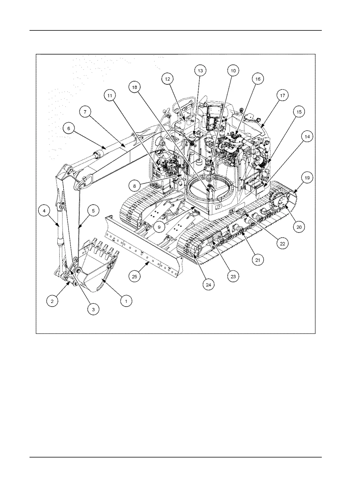
Machinecomponents
SMIL17CEX3828GA1
1.Bucket14.
Battery
2.Bucketlink15.
Airlter
3.Armlink16.
Enginecompartment
4.
Bucketcylinder
17.
Counterweight
5.
Arm18.
Swingcomponent
6.
Armcylinder
19.
Shoes
7.
Boom20.
Travelreductiongear
8.
Boomcylinder
21.Lowerroller
9.
Cab/Operationcompartment
22.
Upperroller
10.
Swingmotorassembly
23.
Recoilspring
11.
DEF/ADBLUE®tank
24.Idlerwheel
12.Fueltank25.
Blade(bladeversion)
13.
Hydraulictank
1-7

Table of Contents

Related product manuals