EasyManua.ls Logo

Chery A113 - Electric Rear View Mirror

Chery A113
281 pages
Print Icon
To Next Page IconTo Next Page
To Next Page IconTo Next Page
To Previous Page IconTo Previous Page
To Previous Page IconTo Previous Page
Loading...
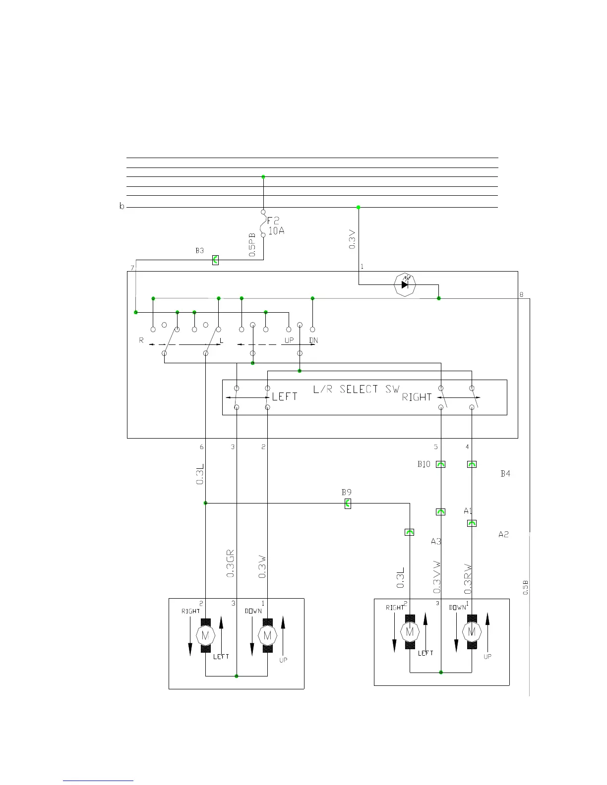
V. Electric Rear View Mirror
Right rearview mirror
Left rearview mirror
Electric rearview mirrors
Interior/left front
Interior/right
front
Interior/left front
Interior/right
front
Interior/left front
Interior/right
front
Interior/left
front
58
Ka
15a
15
30a
30

Table of Contents

Related product manuals