EasyManua.ls Logo

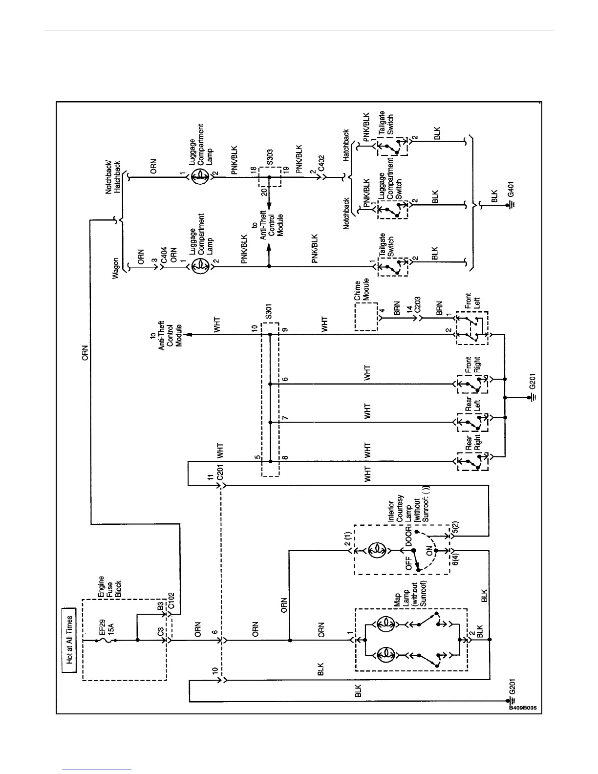
Daewoo NUBIRA - Interior Courtesy Lamp and Luggage Compartment Lamp Circuit Diagram

Daewoo NUBIRA
744 pages
Print Icon
To Next Page IconTo Next Page
To Next Page IconTo Next Page
To Previous Page IconTo Previous Page
To Previous Page IconTo Previous Page
Loading...
LIGHTING SYSTEMS 9B – 7
DAEWOO V–121 BL4
INTERIOR COURTESY LAMP AND LUGGAGE
COMPARTMENT LAMP CIRCUIT

Table of Contents

Other manuals for Daewoo NUBIRA

Related product manuals