EasyManua.ls Logo

Freescale Semiconductor MPC5604B - 3. Configuration

Default Icon
150 pages
Print Icon
To Next Page IconTo Next Page
To Next Page IconTo Next Page
To Previous Page IconTo Previous Page
To Previous Page IconTo Previous Page
Loading...
4.
Driving smart-MOS switches MC33984 using SPI Driver
4.1.
Introduction to MC33984
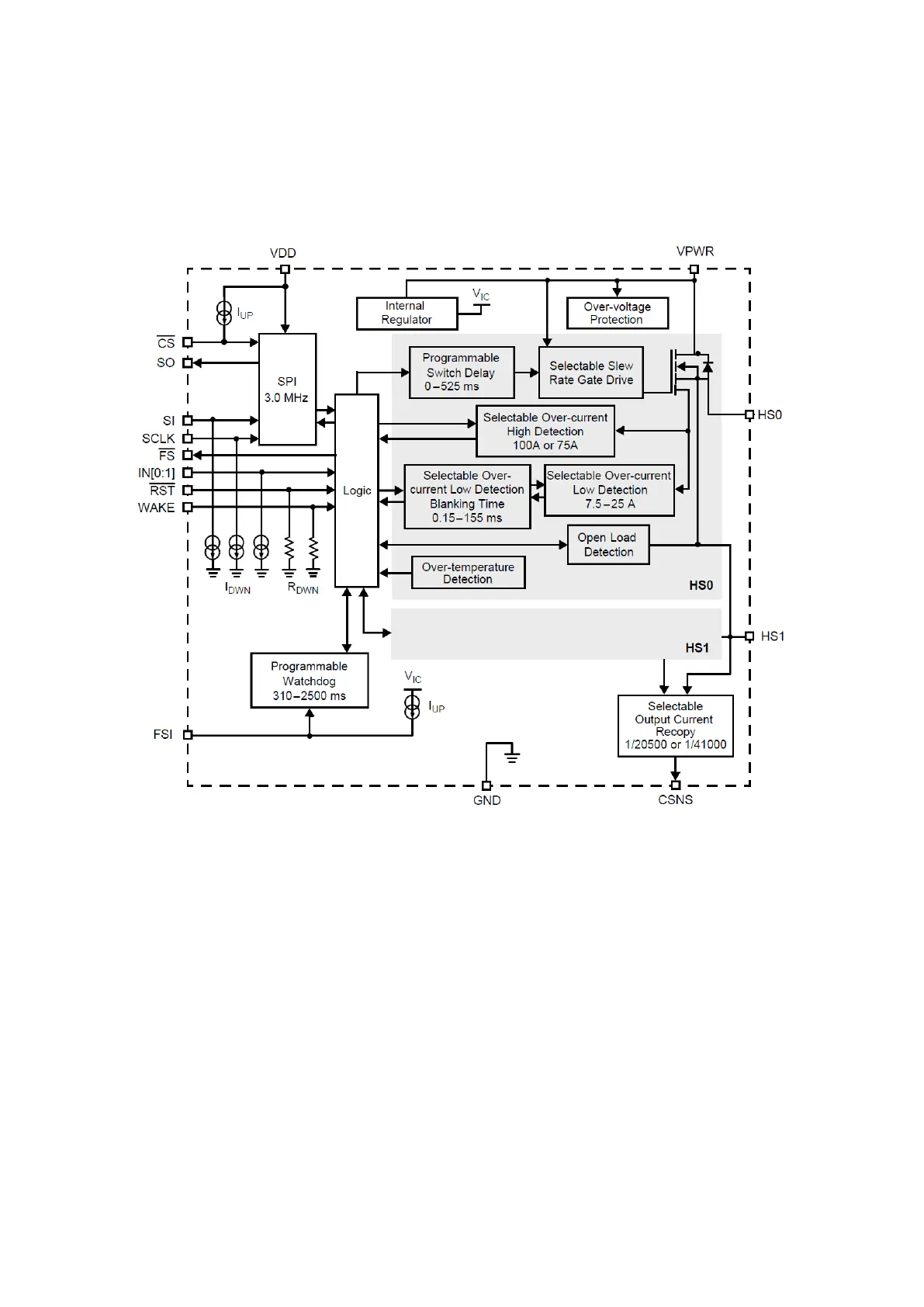
This chip contains two smart-MOS devices that can be used for switching high current
consuming loads. It also detects various electrical or thermal defects and can report them.
The figure above illustrates the internal block diagram of the chip. It possesses an SPI interface,
direct output control pins (IN0, IN1) and an analog current image output. The device has a few
registers that can be read or written to configure different aspects and check their status. The
outputs are high side switches; N-MOSFETs with an RDSon of 4mOhms.
In this example, we will develop a serial terminal interface for MPC5604B for commanding this
chip. It will have to initialise the device via SPI, then it can directly control its inputs via IN[0:1]
either as a continuous logic level or as a PWM signal. It can also read the status register from the
device and report faults via the terminal.
4.2.
Drivers components
There are various ways to implement a driver for this chip, the one we will describe offer
various extension possibilities while being quite simple.
There are two GPIO pins of the MCU that should be used for RST and WAKE pins of the chip,
these allows resetting the chip and putting it in a useable mode.

Table of Contents

Other manuals for Freescale Semiconductor MPC5604B

Related product manuals