EasyManua.ls Logo

Freescale Semiconductor MPC5604B - GPIO: General Purpose Input;Output

Default Icon
150 pages
Print Icon
To Next Page IconTo Next Page
To Next Page IconTo Next Page
To Previous Page IconTo Previous Page
To Previous Page IconTo Previous Page
Loading...
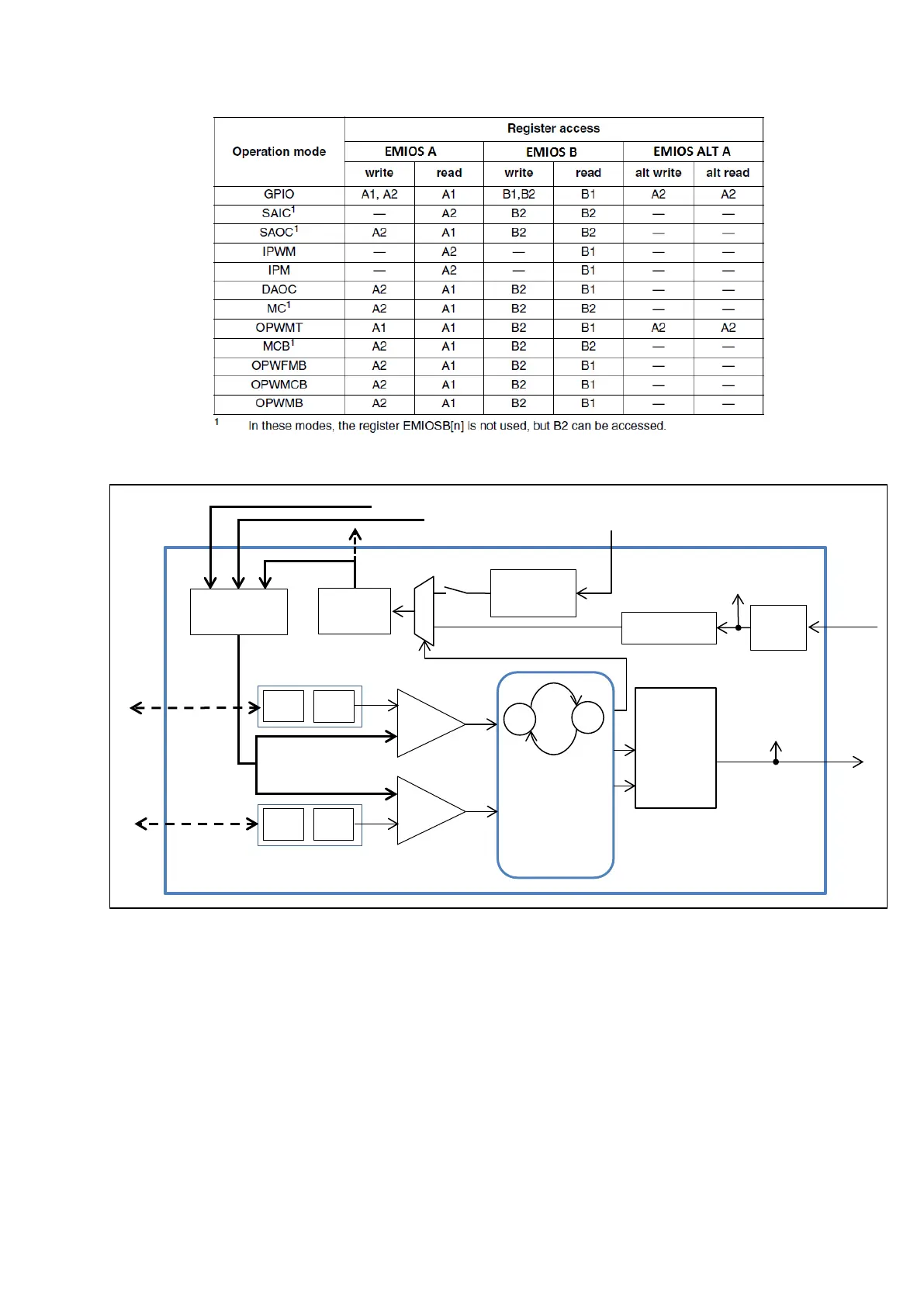
Figure 47 : eMIOS A, B and Alt A Register R/W (R.M. Rev8 Table 24-16)
Figure 48 : An eMIOS Channel’s Block Diagram
In the following sections, we will study different modes of operations and how registers A and
B behave in each one of them.
1.2.
GPIO: General Purpose Input/Output
In General Purpose Input/Output mode all input capture, output compare and timing functions
are disabled. Registers A and B hold the same value. All channels are in this mode by default and
have to go through this mode when a mode change occurs.
Counter Bus
Select (BSL)
Internal
Counter
Prescaler
UCPRE
UCPREN
eMIOS Internal
Counter Clock
Secondary Counter Bus
(B,C…)
Primary Counter Bus A
Input
Filter
IF, FCK
Edge Detect
B1
B2
A1
A2
Comparator
A
Comparator
B
Finite State
Machine
MODE
FORCMA
FORCMB
EMIOS_OUDR
EMIOS_OUDR
SET
R/W
R/W
CLR
Flip-Flop
EDPOL
EDSEL
OUT
UCOUT
UCIN

Table of Contents

Other manuals for Freescale Semiconductor MPC5604B

Related product manuals