EasyManua.ls Logo

Freescale Semiconductor MPC5604B - RTC;API: Real Time Clock; Autonomous Periodic Interrupt

Default Icon
150 pages
Print Icon
To Next Page IconTo Next Page
To Next Page IconTo Next Page
To Previous Page IconTo Previous Page
To Previous Page IconTo Previous Page
Loading...
4.
RTC/API: Real Time Clock/ Autonomous Periodic Interrupt
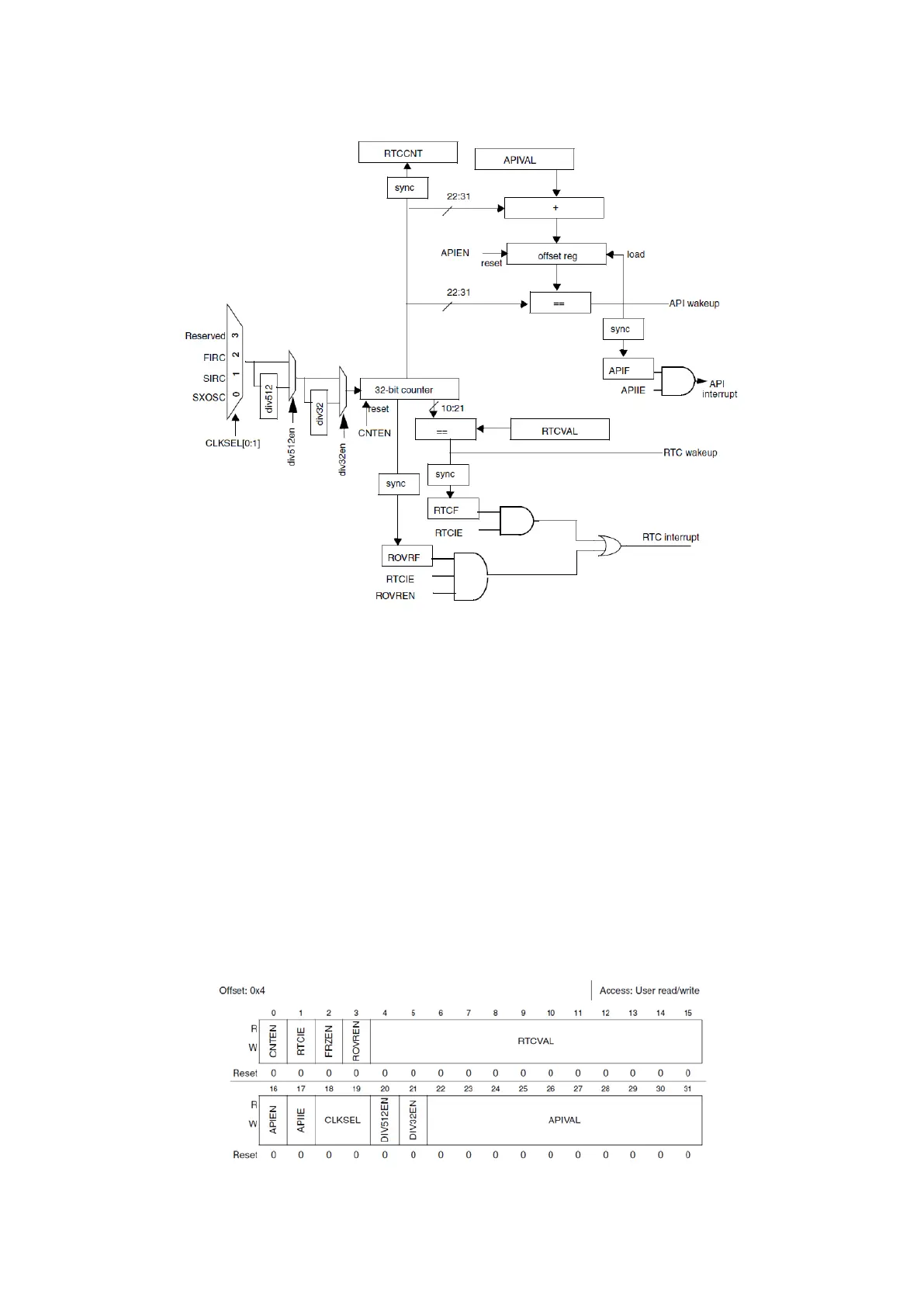
Figure 40 : RTC/API Architecture (R.M. Rev8 Fig. 13-1)
The Real Time Clock is an independent 32-bit timer, clocked by either internal RC oscillators
(128kHz or 16MHz) or by a slow external crystal (32kHz). By using dividers by 32 and/or 512,
we can count in  (see the last table
of this section). RTC module has a 12-bit match value, that is compared to the bits [21:10] of the
counter, and it can trigger a wakeup or interrupt event.
The Autonomous Periodic Interrupt (API) module can trigger wakeup or interrupt events
periodically; a 10-bit period value is added to the bits [22:31] of current value of the counter,
giving an offset match register that can generate a trigger. Once an event is triggered, the offset
register is updated with a new match value, therefore resulting in periodically triggered events.
The RTC Supervisor Control (RTCSUPV) register can only be modified in device modes and its
SUPV bit can limit access to other registers (true by default) or not. Writing ‘0’ to this bit will
grant access to other registers in user modes.
Figure 41 : RTC Control Register (R.M. Rev8 Fig. 13-2)

Table of Contents

Other manuals for Freescale Semiconductor MPC5604B

Related product manuals