EasyManua.ls Logo

Freescale Semiconductor MPC5604B - Chapter 3 INTC: Interrupt Controller; 1. Introduction

Default Icon
150 pages
Print Icon
To Next Page IconTo Next Page
To Next Page IconTo Next Page
To Previous Page IconTo Previous Page
To Previous Page IconTo Previous Page
Loading...
15
Chapter 2
SIUL: System Integration Unit Line
1.
Introduction
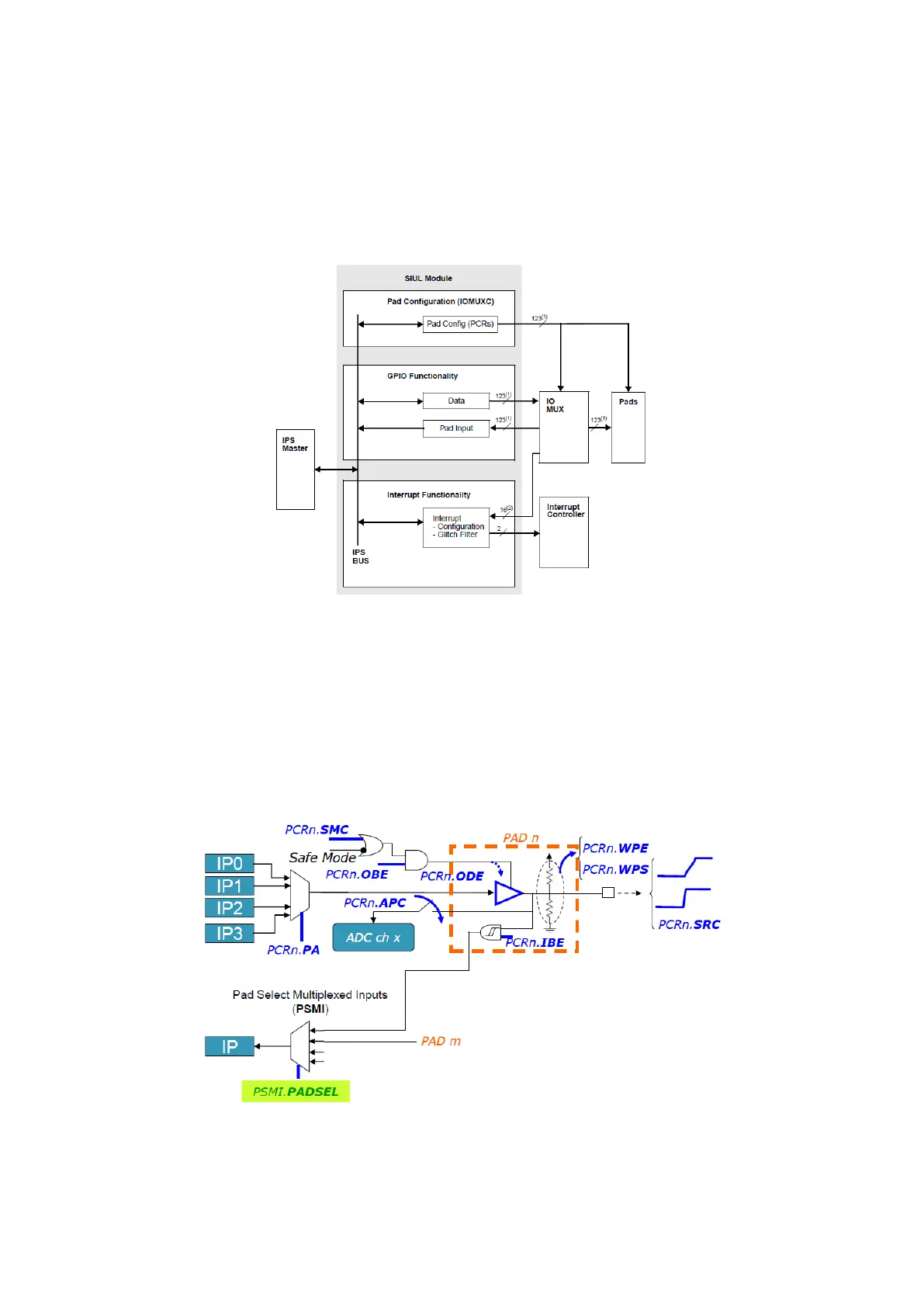
Figure 20 : SIUL Block Diagram (Reference Manual Rev8 Fig. 19-1)
This module is used for pad management and configuration. It can also process external
interrupts that can be triggered on rising/falling edges. On TRK-MPC5604B there are 123 pads
with GPIO functionality and 16 with external interrupt ability.
2.
Pad configuration
This functionality controls pad multiplexing on a low level to set pads as inputs or outputs with
additional parameters that are showed on the figure below.
Figure 21 : Pad Architecture (Freescale Lecture)

Table of Contents

Other manuals for Freescale Semiconductor MPC5604B

Related product manuals