EasyManua.ls Logo

Hioki ST5540 - Types of Leakage Current Measurement

Hioki ST5540
326 pages
Print Icon
To Next Page IconTo Next Page
To Next Page IconTo Next Page
To Previous Page IconTo Previous Page
To Previous Page IconTo Previous Page
Loading...
1.6 Types of Leakage Current Measurement
13
1
Chapter 1 Overview
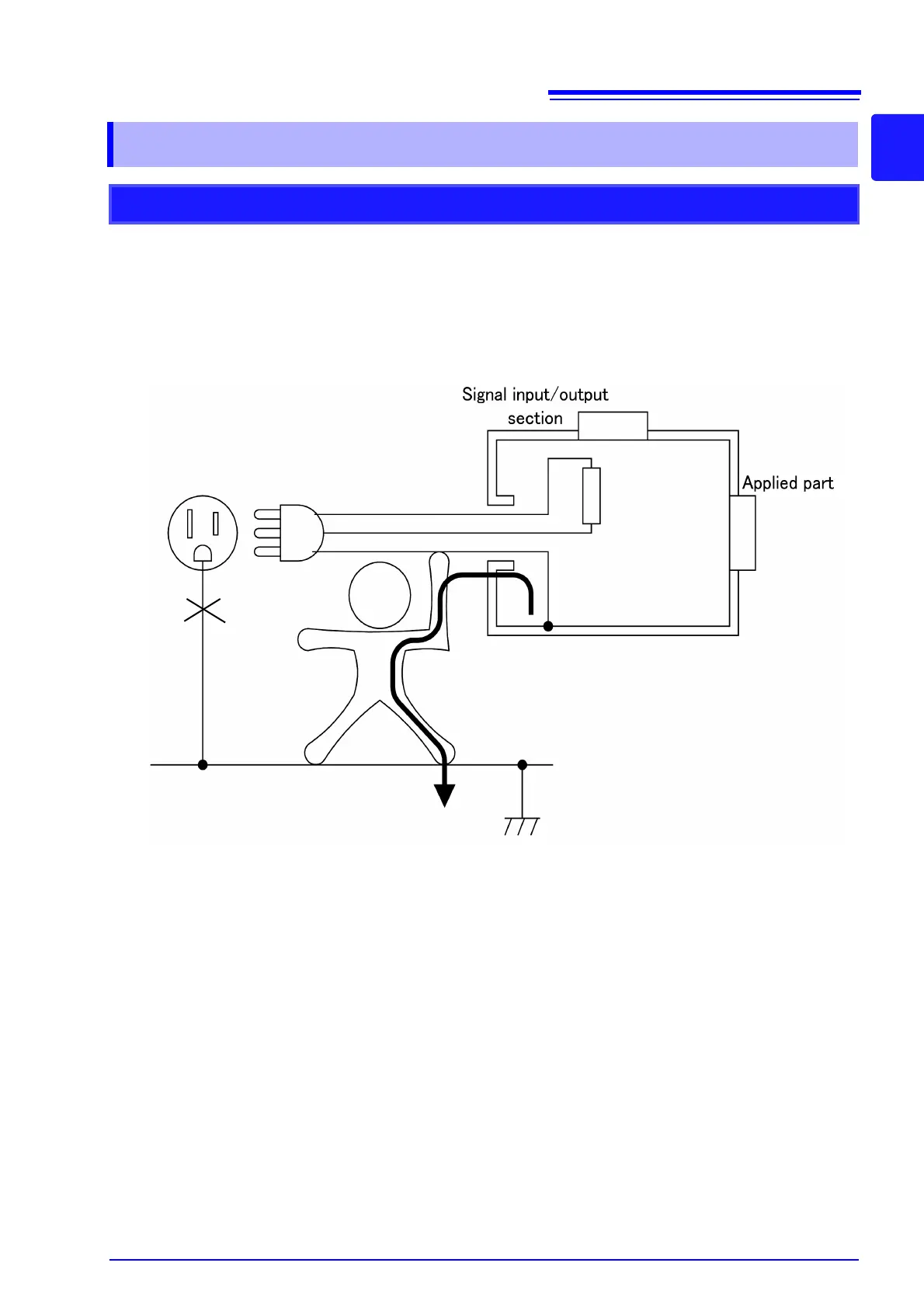
Class-II equipment does not require the measurement of Earth leakage current since it has no protective
earth conductor.
Earth leakage current is measured by inserting a resistance equivalent to the human body in the protec-
tive earth conductor. Using a clamp (Clamp On HiTester) for measuring current does not satisfy the stan-
dard.
1.6 Types of Leakage Current Measurement
Earth leakage current measurement

Table of Contents

Related product manuals