EasyManua.ls Logo

Hioki ST5540 - Page 258

Hioki ST5540
326 pages
To Next Page IconTo Next Page
To Next Page IconTo Next Page
To Previous Page IconTo Previous Page
To Previous Page IconTo Previous Page
Loading...
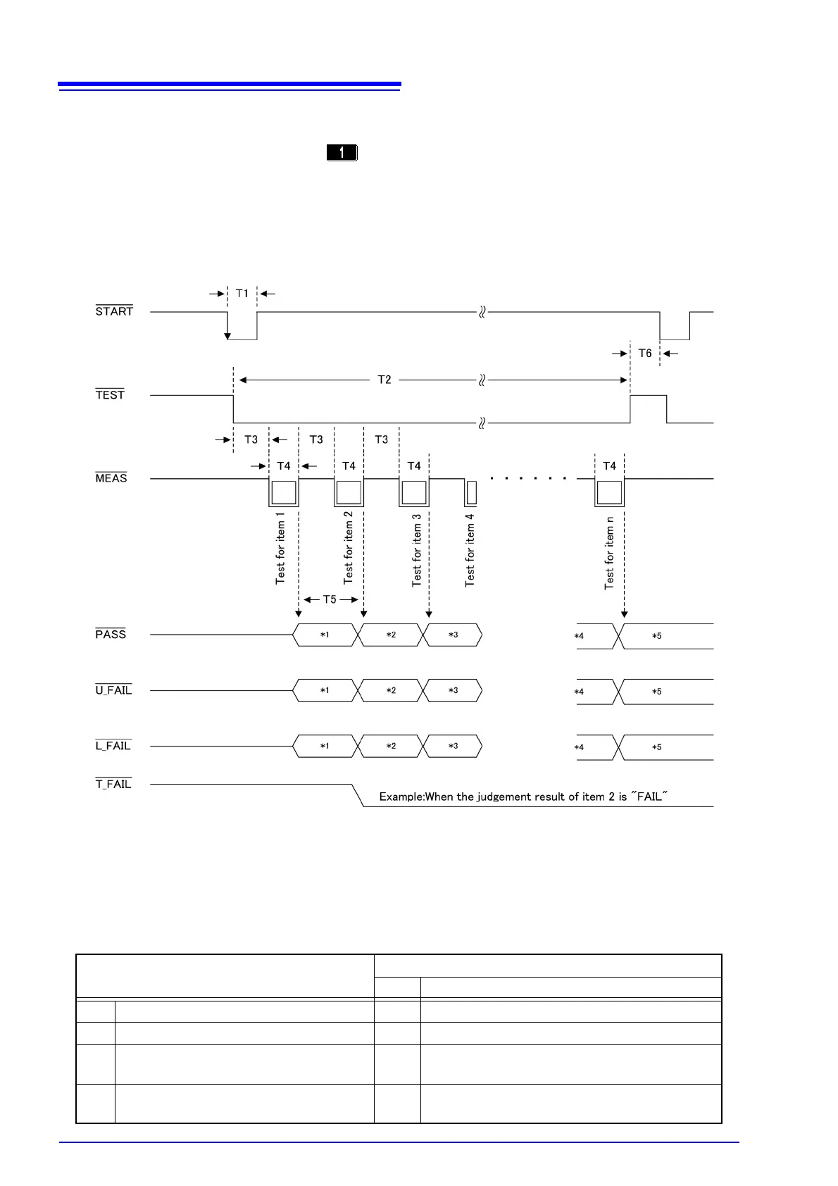
9.5 Timing Chart
252
The following shows the output signal timing chart for automatic measurement.
The number of measurement items (n) varies depending on [number of polarity conditions] x [num-
ber of equipment status] set with displayed on the automatic measurement setting screen.
(Example)
Polarity : Positive polarity ON, negative polarity ON......2
Equipment status : Normal condition ON,
earth conductor disconnection ON ................2
With the above settings, the number of measurement items (n) is 4 (2 x 2 = 4).
*1 : Judgement result of item 1
*2 : Judgement result of item 2
*3 : Judgement result of item 3
*4 : Judgement result of item (n - 1)
*5 : Judgement result of item n
Description
Time
MIN MAX
T1 Measurement start signal pulse width 1 ms
T2 Automatic measurement time 2 s (T3 + T4) x number of measurement items
T3 Wait time between setting items 1 s According to measurement delay setting for
automatic measurement
T4 Measuring time of each setting item 1 s According to measuring time setting for auto-
matic measurement

Table of Contents

Related product manuals