EasyManua.ls Logo

IMO HD2-3.7A-43 - 4.5 Wiring protection; 4.5.1 Protect the inverter and input power cable in short-circuit; 4.5.2 Protect the motor and motor cable in short circuit; 4.5.3 Protect motor and prevent thermal overload

IMO HD2-3.7A-43
408 pages
Print Icon
To Next Page IconTo Next Page
To Next Page IconTo Next Page
To Previous Page IconTo Previous Page
To Previous Page IconTo Previous Page
Loading...
HD2 Series Inverter Installation Guidelines
-21-
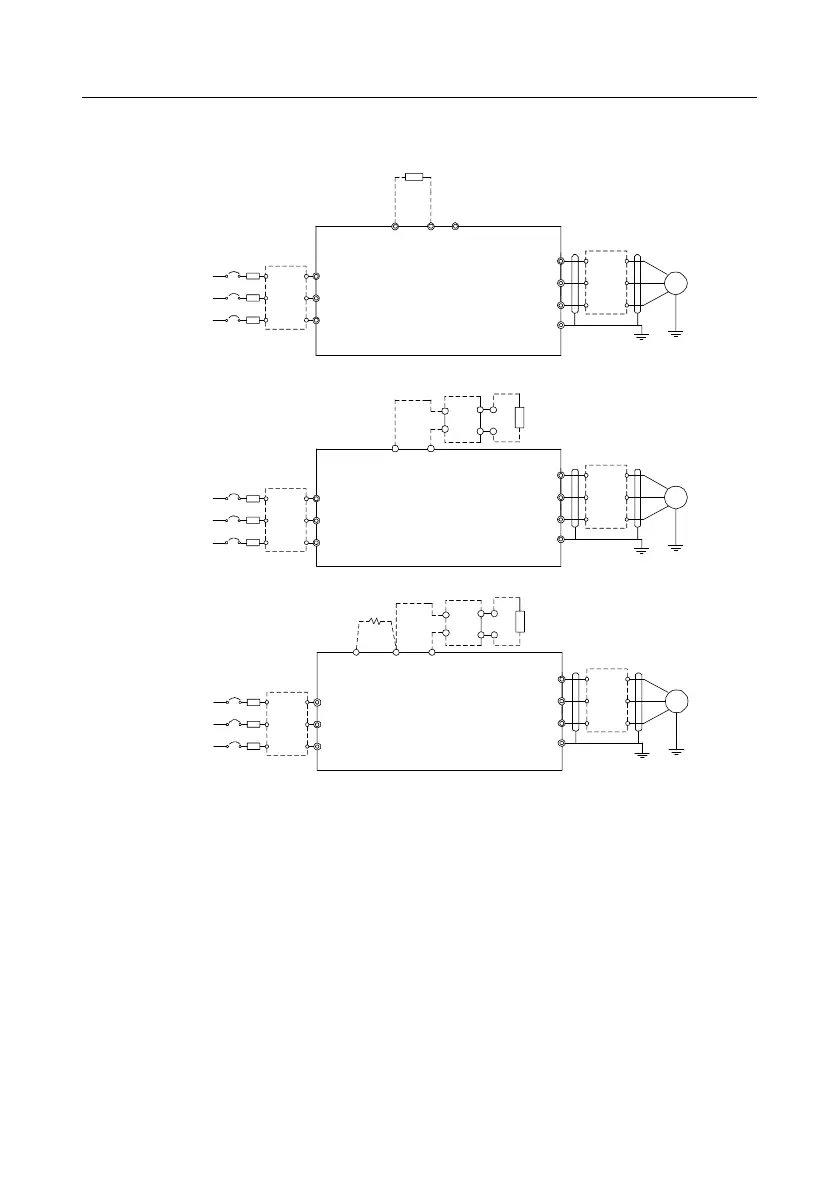
4.3 Standard wiring of main circuit
4.3.1 Wiring diagram of main circuit for a single inverter
37kW and lower
45110kW (inclusive)
132kW and higher
Braking resistor
Braking unit
Braking resistor
Braking resistor
Braking unit
Input
reactor
Input
filter
Fuse
Input
reactor
Input
filter
3-phase
power
380V(-15%)
~
440V(+10%)
50/60Hz
3-phase
power
380V(-15%)
~
440V(+10%)
50/60Hz
R
S
T
R
S
T
U
V
W
PE
U
V
W
PE
Output
reactor
Output
filter
M
+
-
P1
+ -
PB
3-phase
power
380V(-15%)
~
440V(+10%)
50/60Hz
Fuse
Fuse
R
S
T
U
V
W
PE
Output
reactor
Output
filter
M
M
+
-
DC+
DC-
DC+
DC-
DC reactor
Output
reactor
Output
filter
Input
reactor
Input
filter
Figure 4-7 Main circuit wiring diagram for AC 3PH 380V (-15%)–440V (+10%)
Note:
The fuse, DC reactor, braking unit, braking resistor, input reactor, input filter, output reactor and
output filter are optional parts. See Appendix D Optional Peripheral Accessories.
P1 and (+) have been short connected by default for the 380V 132kW and higher inverter models.
If you need to connect to an external DC reactor, take off the short-contact tag of P1 and (+).
When connecting the braking resistor, take off the yellow warning sign marked with PB, (+) and (-)
on the terminal block before connecting the braking resistor wire; otherwise, poor contact may
occur.
Built-in braking unit is optional for the 380V 45kW–110kW inverter models.

Table of Contents

Related product manuals