EasyManua.ls Logo

Inovance IS620P Series - Wiring of the Position Control Mode

Inovance IS620P Series
222 pages
Print Icon
To Next Page IconTo Next Page
To Next Page IconTo Next Page
To Previous Page IconTo Previous Page
To Previous Page IconTo Previous Page
Loading...
Chapter 4 Running and Commissioning IS620P User Manual
- 76 -
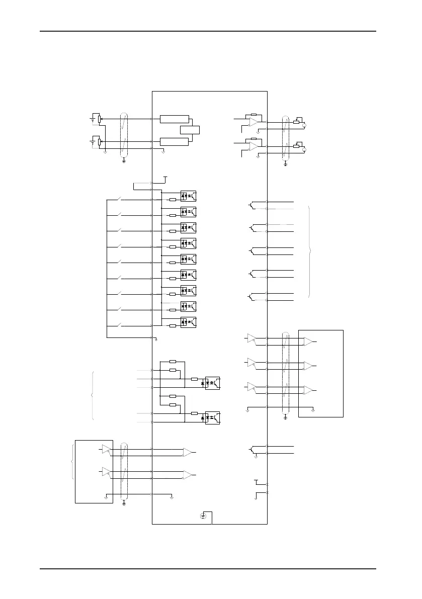
4.1.1 Wiring of the Position Control Mode
Figure 4-2 Wiring of the position control mode
Servo drive
Low-speed
position reference
PULSE+
PULSE-
PULS
[CW phase A]
35
Internal 24 V power supply
for open-collector output
41
43
240 Ω
PULLHI
2.4 kΩ
2.4 kΩ
SIGN+
SIGN-
SIGN
[CCW phase B]
37
39
240 Ω
2.
4 kΩ
2.4 kΩ
The shield of the PE is connected
to the housing of the connector.
HPULSE
[CW phase A]
HPULSE+
38
HPULSE-
36
29
HSIGN+
42
HSIGN-
40
HSIGN
[CCW phase B]
GND
GND
Bi-directional
1 mA meter
Bi-directional
1 mA meter
GND
AO1
GND
AO2
A
AI1
20
AI2
18
GND
19
Low-pass filter
A/D
converter
Low-pass filter
A
Encoder frequency-
division pulse
differential output
PAO-
PAO+
21
22
PBO-
PBO+
25
23
PZO-
PZO+
13
24
Phase A output
29
GND
GND
PZ-OUT
GND
44
29
Encoder phase Z
open-collector output
GND
COIN+(DO2+)
5
4 COIN-(DO2-)
S-RDY+(DO1+)
7
6
S-RDY-(DO1-)
ZERO+(DO3+)
3
2
ZERO-(DO3-)
ALM+(DO4+)
1
26
ALM
-(DO
4-)
HomeAttain+(DO5+)
28
27
HomeAttain-(DO5-)
State output
29
15
GND
+5V
GND
5V
P-OT(DI1)
24V
COM+
9
11
17
+24 V
power
supply
N-OT(DI2)
10
INHIBIT
(DI3)
34
ALM-RST(DI4)
8
S-ON(DI5)
33
ZCLAMP(DI6)
32
GAIN-SEL(DI7)
31
HomeSwitch(DI8)
30
Not defined (DI9)
12
COM-
14
4.7 kΩ
4.7 kΩ
4.7 kΩ
4.7 kΩ
4.7 kΩ
4.7 kΩ
4.7 kΩ
4.7 kΩ
4.7 kΩ
Forward
overtravel switch
Torque limit: 0-10 V
Impedance: about 9 kΩ
Torque limit: -10 to 0 V
Impedance: about 9 kΩ
Reverse
overtravel switch
Pulse forbidden
Alarm reset signal
Servo drive enabled
Zero clamp enabled
Gain switchover
Home switch
Not defined
High-speed
position
reference
Max.: 4 MHz
Analog output: -10 to 10 V
Maximum output: < 1 mA
Analog output: -10 to 10 V
Maximum output: < 1 mA
Analog output: -10 to 10 V
Maximum output: < 1 mA
Analog output: -10 to 10 V
Maximum output: < 1 mA
Phase B output
Phase Z output

Table of Contents

Other manuals for Inovance IS620P Series

Related product manuals