EasyManua.ls Logo

Lenovo ThinkServer sd350 - Page 163

Lenovo ThinkServer sd350
206 pages
Print Icon
To Next Page IconTo Next Page
To Next Page IconTo Next Page
To Previous Page IconTo Previous Page
To Previous Page IconTo Previous Page
Loading...
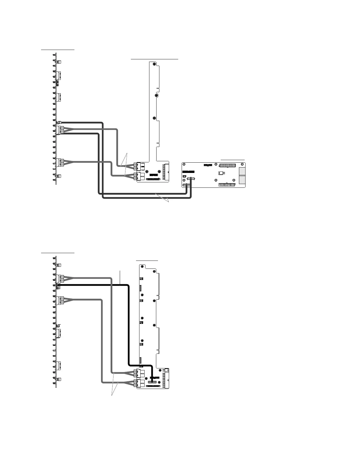
HDD backplane
Power interface board
SMB board
Power cables
SAS/SATA
cables
Figure94.Internalcableroutingandconnectorsontheharddiskdrivebackplaneandthepowerinterfaceboard
Thefollowingillustrationdisplaysthecablinginformationontheharddiskdrivebackplaneandthefanboard:
HDD backplane
Fan board
SAS/SATA cables
Signal cable
Figure95.Internalcableroutingandconnectorsontheharddiskdrivebackplaneandthefanboard
Chapter5.Removingandreplacingservercomponents147

Table of Contents

Other manuals for Lenovo ThinkServer sd350

Related product manuals