EasyManua.ls Logo

Maeda LC1385M-8BF - Operators Compartment Equipment

Default Icon
384 pages
Print Icon
To Next Page IconTo Next Page
To Next Page IconTo Next Page
To Previous Page IconTo Previous Page
To Previous Page IconTo Previous Page
Loading...
3-3
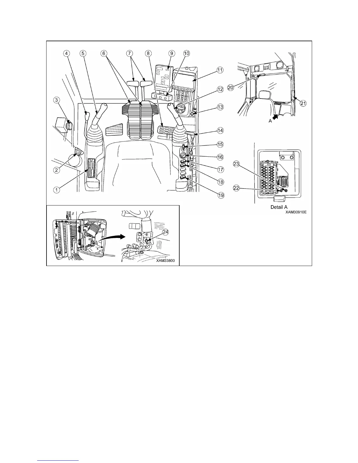
1.2 OPERATORS COMPARTMENT EQUIPMENT
(1) Radio
(2) Level
(3) Engine emergency stop switch
(4) Lock lever
(5) Left work equipment control lever
(6) Travel pedals
(7) Travel levers
(8) Accelerator pedal
(9) Moment limiter display unit
(10) Moment limiter related switch box
(11) Machine monitor
(12) Right work equipment control lever
(13) Cigarette lighter
(14) Blade control lever
(15) Starter switch
(16) Fuel control dial
(17) Lamp switch
(18) Swing lock switch
(19) Sun roof wiper switch
(20) Room lamp switch
(21) Moment limiter transducer
(22) Emergency pump drive switch
(23) Swing parking brake release switch
(24) Battery disconnect switch

Table of Contents

Related product manuals