EasyManua.ls Logo

MDC OFF-GRID extreme XT12HR - Vehicles with or Without Smart Alternators

MDC OFF-GRID extreme XT12HR
138 pages
Print Icon
To Next Page IconTo Next Page
To Next Page IconTo Next Page
To Previous Page IconTo Previous Page
To Previous Page IconTo Previous Page
Loading...
www.mdcusa.com
I
Ph: 1-833-632-8721
I
©Copyri ght
I Page I 27
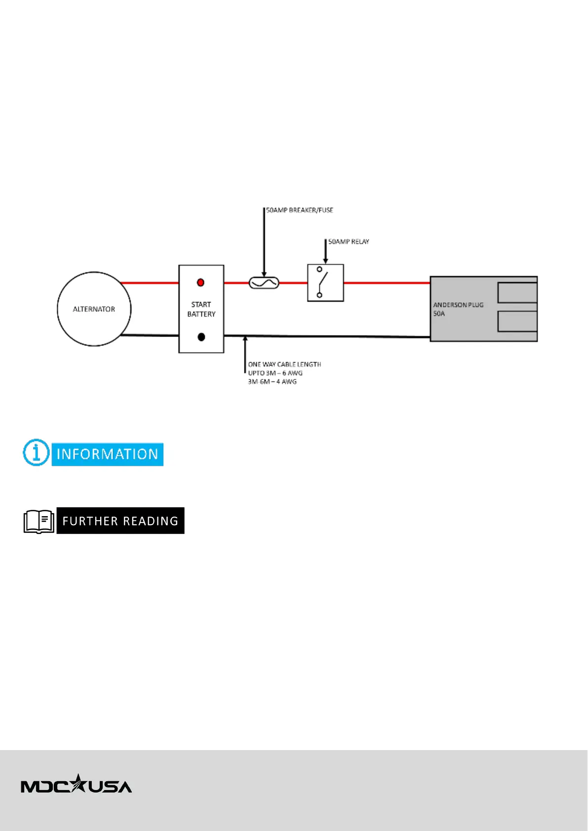
Vehicles with or without Smart Alternators
Regardless of whether your vehicle is equipped with a traditional or smart alternator, it is essential to ensure the power supply
connection is properly set up to protect both your vehicle's battery and your caravan’s electrical system. To achieve this, the
following components should be incorporated:
1. 50A Relay: A relay should be installed to disconnect the power supply when the vehicle is not running. This prevents
the vehicle’s starting battery from being drained by the caravan’s electrical system when the engine is off.
2. 50A Fuse or Circuit Breaker: This should be placed at the vehicle’s battery connection point. It serves as a safeguard
against potential overcurrent situations, protecting both the vehicle’s and the caravan’s electrical circuits.
Proper installation of these components ensures a safe and reliable power supply, preventing unnecessary battery drain and
reducing the risk of electrical faults when towing your caravan. If you are unsure about the correct installation process, consult
a professional auto electrician to ensure compliance with local safety standards.
The Renogy 50A Dual Input DC - DC on-board battery charger with MPPT fitted in your
MDC trailer is programmed to prioritise solar panel power exclusively until it drops below
an output current of <25A. By providing accessory power to the number 4 pin of the trailer
connector and connecting the Anderson plug connector to your tow vehicle, the ignition
trigger for the Renogy charger will be set to take power from both the Anderson plug and
the solar panels. When the solar power drops below this threshold the charger will begin
hybrid charging and provide a maximum charging rate of 25A from the alternator.
For further information on how charging logic works for the Renogy RBC50D1S,
please consult the manufacturers documentation.

Table of Contents

Related product manuals