EasyManua.ls Logo

Pima Hunter-Pro Series - Zone Wiring

Pima Hunter-Pro Series
116 pages
Print Icon
To Next Page IconTo Next Page
To Next Page IconTo Next Page
To Previous Page IconTo Previous Page
To Previous Page IconTo Previous Page
Loading...
CAPTAIN 8
39
Hunter-Pro Series & Captain 8 Installation Guide
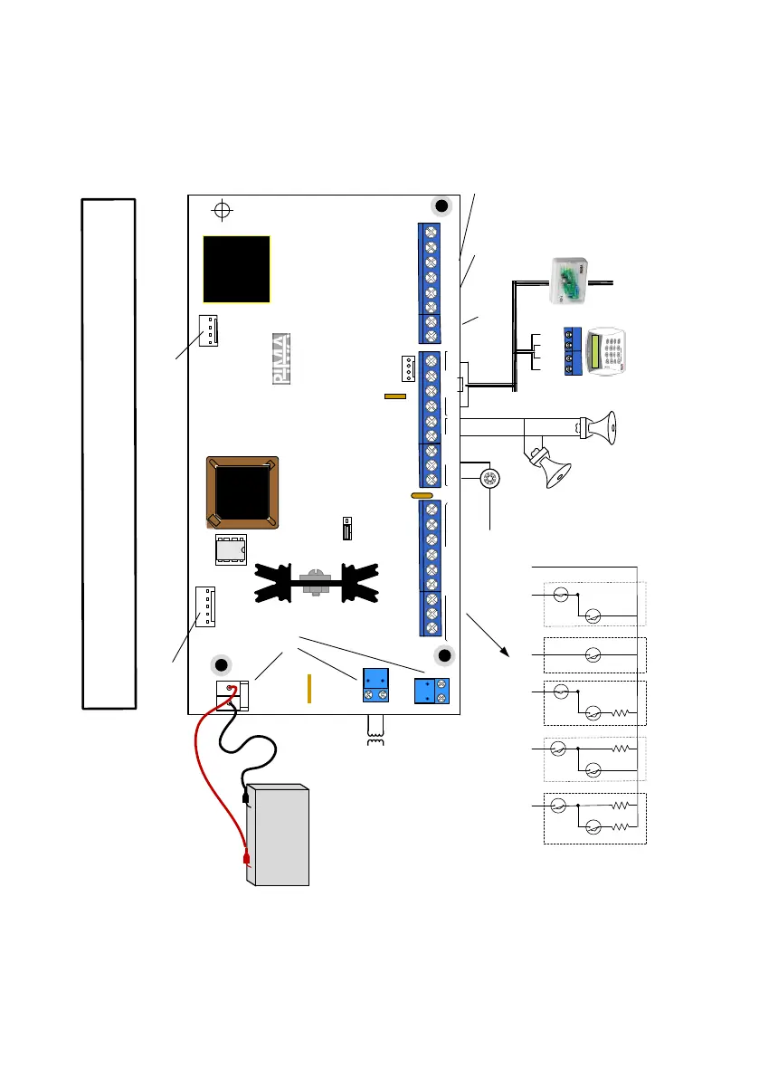
Diagram 34. Captain 8 wiring diagram
4.3.1 Zone wiring
Captain 8 wiring is similar the Hunter-Pro's; see section 3, starting page 13.
Fax
,
answering
machine
,
telephones
MIC
-
200
,
VU
-
20
U
,
GSM
-
200
Voice
Telephone
line
-
in
(
-
)
Sirens
Lead Acid Battery
Warning
.
High voltage
!
Disconnect AC power and telephone line prior to servicing
+
RED
-
BLACK
14
-
16
VAC
22
JUL
11 22
:
40
--
_
----
FB
__
--
A
-
_
4
(
IN
)
3
(
OUT
)
2
(+)
1
(
-
)
BUS
To Expanders
&
Keypads
(+)
To zone
input
Fire/
Smoke
Detector
Z
1
Z
2
Z
3
Z
4
Z
5
(
-
)
N
.
O
./
N
.
C
.
,
2
EOL
Resistors
N
.
O
.
,
1
EOL
Resistor
N
.
C
.
,
1
EOL
Resistors
N
.
O
.
N
.
C
.
A
A
A
A
A
T
T
T
T
T
:
Tamper
A
:
Alarm
R
2
R
1
R
1
R
1
-
AC
BATT
U11
TRANSMITTER
PIMA-8
JP3
F3
+V
KEYPAD
10
15
SERIAL
Z
1
Z
2
Z
3
Z
4
Z
5
Z
6
Z
O
N
E
S
+
V
S
M
O
K
E
P
G
M
S
R
N
O
U
T
P
U
T
S
-
1
K
E
Y
P
A
D
O
U
T
L
I
N
E
T
E
L
E
P
H
O
N
E
S
E
T
-
A
U
D
I
O
I
N
F
2
Z
7
Z
8
2
3
4
+
I
N
O
U
T
-
EGND
+
F1
P/N 3610105 Rev. C
Detachable
TRV
/
TRU
-
100
,
GSM
-
200
,
SMS
-
100
VVR
,
net
4
pro
,
“Home automation”

Table of Contents

Other manuals for Pima Hunter-Pro Series

Related product manuals