EasyManua.ls Logo

Piper Warrior III - Page 1082

Piper Warrior III
1104 pages
Print Icon
To Next Page IconTo Next Page
To Next Page IconTo Next Page
To Previous Page IconTo Previous Page
To Previous Page IconTo Previous Page
Loading...
A
B
B
A
A
B
A
B
A
B
A
B
10
CB30
MAIN BUS
7.5
PUMP
CB7
LIGHT
LANDING
FIELD
5
CB2
ALTERNATOR
FUEL
LIGHTS
ANTI-COLL
CB31
10
MAIN BUS
LIGHTS
NAV
CB32
10
CB33
LIGHTS
RECOG
10
15
CB13
STARTER
L3B16
L3A16
L4A16
Q2A20
P2B20
P2A20
P4C20N
P4B20
L1B18
ON
2
3
OFF
1
LANDING LIGHT SW
ON
2
3
OFF
1
FUEL PUMP SWITCH
INSTRUMENT PANEL
L5B18
L4G20
L4E20
INSTRUMENT PANEL
6
2
1
3
4
5
STROBE LTS
FIN STROBE
1
3
2
OFF
ON
ALTERNATOR SW
3
2
ON
OFF
1
BATTERY MASTER
L3A16
2
3
4
5
6
OFF
1
NAV LIGHT SWITCH
ON
L1A18
L5A18
TO NAV LT SW
TO LDG LT SW
TO PITOT HEAT SW,
91-30-30, FIGURE 1, SHEET 2
L3E16N
6
4
5
A
ON
B
1
OFF
2
RECOG LTS SW
3
L4B18
L3D18
L4A16
33
1
2
P300
32
3
P300
12
13
10
11
15
16
8
GB4-K
STROBE LIGHT SW
& ACC
6
BAT
K1A18
STARTER SW
S
K1B18
GB4-L
4
5
GND
BO
L
LR
R
J3B18N
J2B18
J1B18
Q3B20
OPTIONAL
AWG-18
AWG-18
GB4-M
101902-SHT 16-B/P
A
B
Q2A20
4
3
1
PRIME
6
14
Q2B20
Q3A20
Q1C20
PIPER AIRCRAFT, INC.
PA-28-161, WARRIOR III
MAINTENANCE MANUAL
PAGE 8
Nov 30/06
5I22
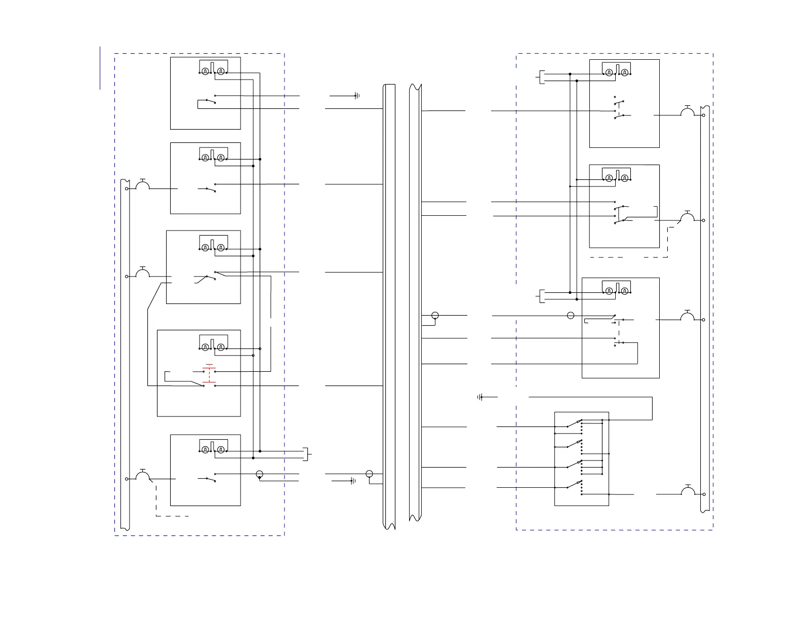
91-33-10
Switch Lights
Figure 5 (Sheet 2 of 3)
Effectivity
2842218 thru 2842256
with Avidyne Entegra

Table of Contents

Related product manuals