EasyManua.ls Logo

Piper Warrior III - Page 1086

Piper Warrior III
1104 pages
Print Icon
To Next Page IconTo Next Page
To Next Page IconTo Next Page
To Previous Page IconTo Previous Page
To Previous Page IconTo Previous Page
Loading...
PIPER AIRCRAFT, INC.
PA-28-161, WARRIOR III
MAINTENANCE MANUAL
PAGE 2
Nov 30/06
5J2
91-33-40
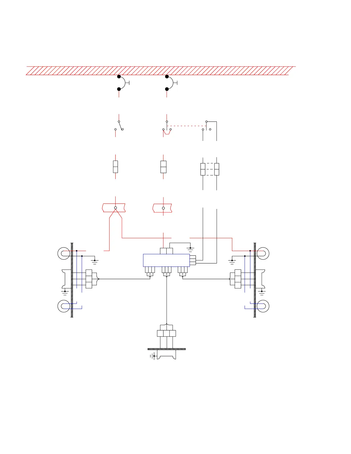
Navigation and Strobe Lights
Figure 1 (Sheet 2 of 2)
BLUE
BLUE
BLUE
BLUE
1
3
2
L1C20
11
L1J20
P2
R2
2
2
L1B20
213213
21
1
3
2
L1G20
L4C20
7
L4D20
R1
P1
12
12
L4B20
2
1
3
1
2
3
L1A20
5A
L4A20
5A
NAV
LIGHTS
ANTI-COLL
LIGHTS
WITH FIN STROBE LIGHT
(OPTIONAL)
6
4
5
321
312
FIN
STROBE
LIGHT
213
L4E20
L4F20
P33
1
1
R35
P35
L4H20
2
2
L4G20
104295 F
WHITE
POSITION
LIGHT
RIGHT
NAV
LIGHT
GREEN
NAV
LIGHT
NAV
LIGHTS
SWITCH
STROBE
LIGHTS
SWITCH
WHITE
POSITION
LIGHT
LEFT
NAV
LIGHT
RED
NAV
LIGHT
POWER
SUPPLY
LEFT
WING
RIGHT
WING
FIN
STROBE
LIGHT
SWITCH

Table of Contents

Related product manuals