EasyManua.ls Logo

RFL IMUX 2000 - Page 287

RFL IMUX 2000
1105 pages
Print Icon
To Next Page IconTo Next Page
To Next Page IconTo Next Page
To Previous Page IconTo Previous Page
To Previous Page IconTo Previous Page
Loading...
Because RFL and Hubbell® have a policy of continuous product improvement, we reserve the right to change designs and specications without notice.
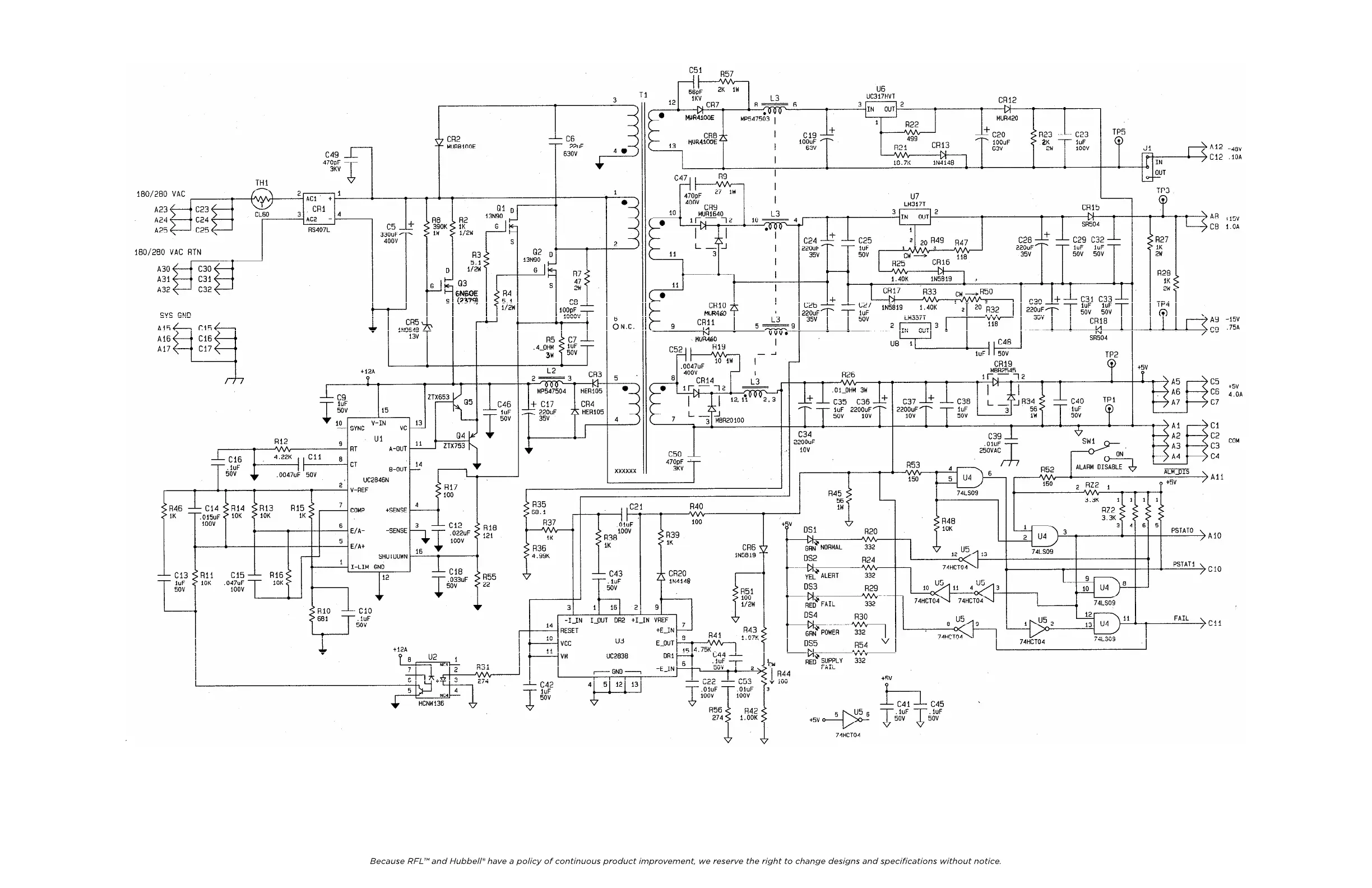
Figure 10-6. Schema
tic, IMUX 2000 Power
Suppl
y, 220
Vac
Drawing No. D-106824-D
IMUX 2000E1 RFL Electronics Inc.
January 1, 2008 10-27 (10-30 Blank) (973) 334-3100

Table of Contents

Other manuals for RFL IMUX 2000

Related product manuals