EasyManua.ls Logo

SKF KFGL - KFGL Proflex for Progressive Centralized Lubrication Systems

SKF KFGL
108 pages
Print Icon
To Next Page IconTo Next Page
To Next Page IconTo Next Page
To Previous Page IconTo Previous Page
To Previous Page IconTo Previous Page
Loading...
4.8.2 KFGL ProFlex for progressive centralized lubrication systems
KFGS
4
3
1
5
6
2
7
In
Power
Fault
Out 2
In 2
Out 1
In 1
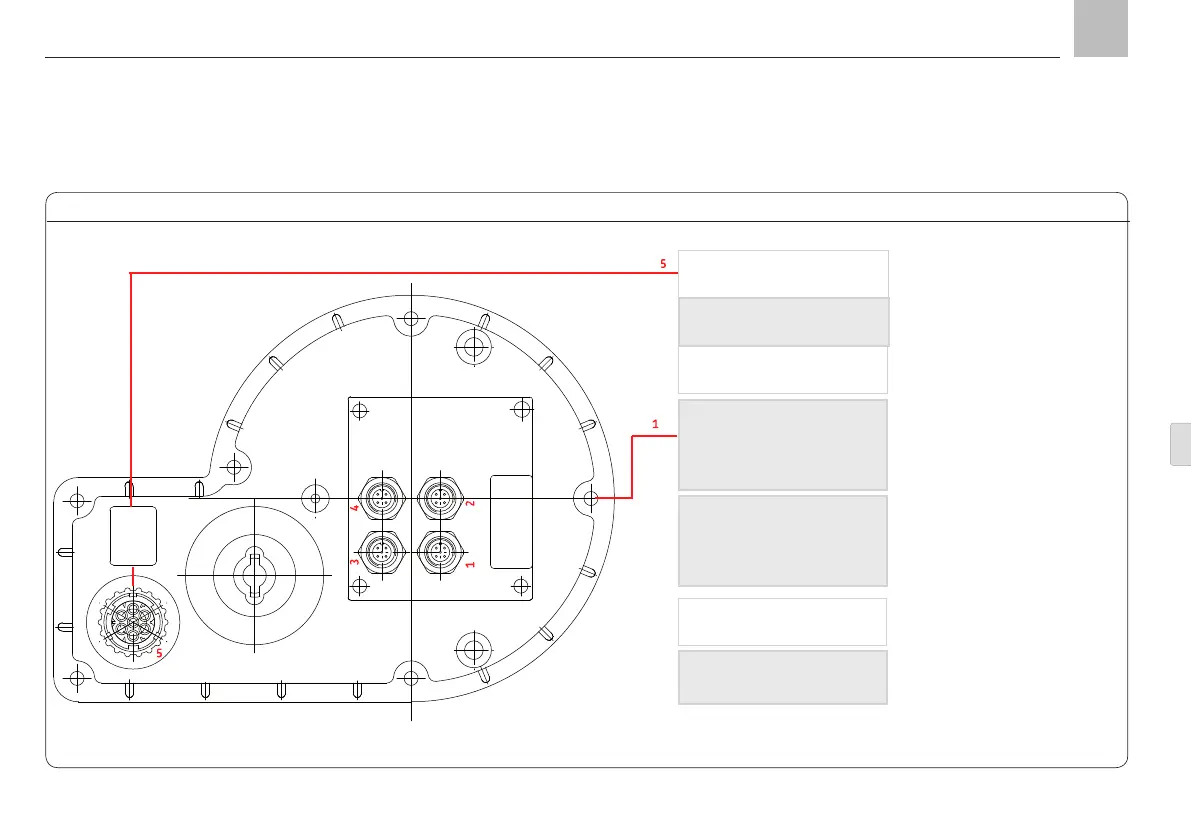
KFGL ProFlex, Fig. 23
Power supply 5
Pin 1: OV (-)
Pin 2: 12/24 VDC (+)
Error output (Fault)
Pin 3: Fault notification (-)
Pin 4: Fault notification (+)
Input 3 (In 3)
Pin 5: External DK (-)
Pin 6: External DK (+)
Output 1 (Out 1) 1
Standard model = Disabled
system with two main lines
Pin 3: Valve (-)
Pin 4: Valve (+)
Input 1 (In 1) 3
Pin 1: Cycle switch 1 (+)
Pin 4: Cycle switch 1 (-)
Input 2 (In 2) 4
Pin 1: Cycle switch 2 (+)
Pin 4: Cycle switch 2 (-)
Output 2 (Out 1) 2
Standard model = Disabled
system with two main lines
Pin 3: Valve (-)
Pin 4: Valve (+)
Page 35
EN
Assembly instructions

Table of Contents

Related product manuals