EasyManua.ls Logo

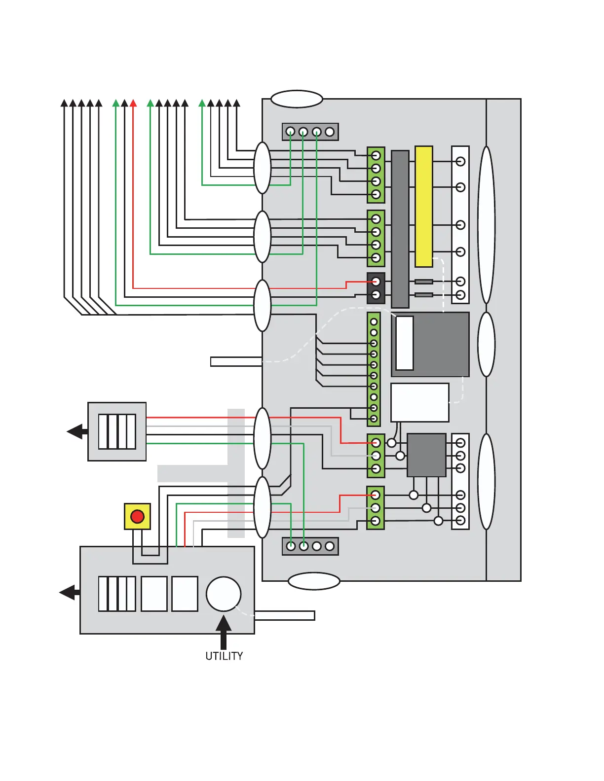
SolarCity H6 - Figure 5-2: Solarcity H6 Installation Wiring Diagram (2 of 2)

SolarCity H6
146 pages
Print Icon
To Next Page IconTo Next Page
To Next Page IconTo Next Page
To Previous Page IconTo Previous Page
To Previous Page IconTo Previous Page
Loading...
H6 Hybrid Inverter - Installation & Operation Guide
58
Copyright 2017 SolarCity Corporation. All rights reserved.
Figure 5-2: SolarCity H6 installation wiring diagram (2 of 2)
¾” OR 1"
CONDUIT
PV1A +
HV BATT +
HV BATT -
BATT GND
H6 INVERTER TOP SECTION
PLC TRANSMITTER
FUSES
DC DISCONNECT SWITCH
SYSTEM
CONTROL
WIRELESS
MODULE
ZIGBEE ANTENNA
AC
BYPASS
SW.
BREAKER
BREAKER
BREAKER
BREAKER
PROTECTED
HOME LOADS
BACKUP
PANEL
BREAKER
BREAKER
BREAKER
BREAKER
INVERTER
BREAKER
MAIN
BREAKER
METER
ZIGBEE ANTENNA
HOME LOADS
FIREMAN
SWITCH
EGC=AWG10
FW SWITCH=AWG14-18
L2
N
L1
GND
FIREMAN +
FIREMAN -
GND
BL2
BN
BL1
PV1A -
PV1B +
PV1B -
PV1 GND
PV2A +
PV2A -
PV2B +
PV2B -
PV2 GND
12V AUX
12V AUX GND
ENABLE/DISABLE
CAN-H
CAN-L
SEE FIGURE 5-1

Table of Contents