EasyManua.ls Logo

Sun Microsystems SUN BLADE 150 - Page 176

Sun Microsystems SUN BLADE 150
218 pages
Print Icon
To Next Page IconTo Next Page
To Next Page IconTo Next Page
To Previous Page IconTo Previous Page
To Previous Page IconTo Previous Page
Loading...
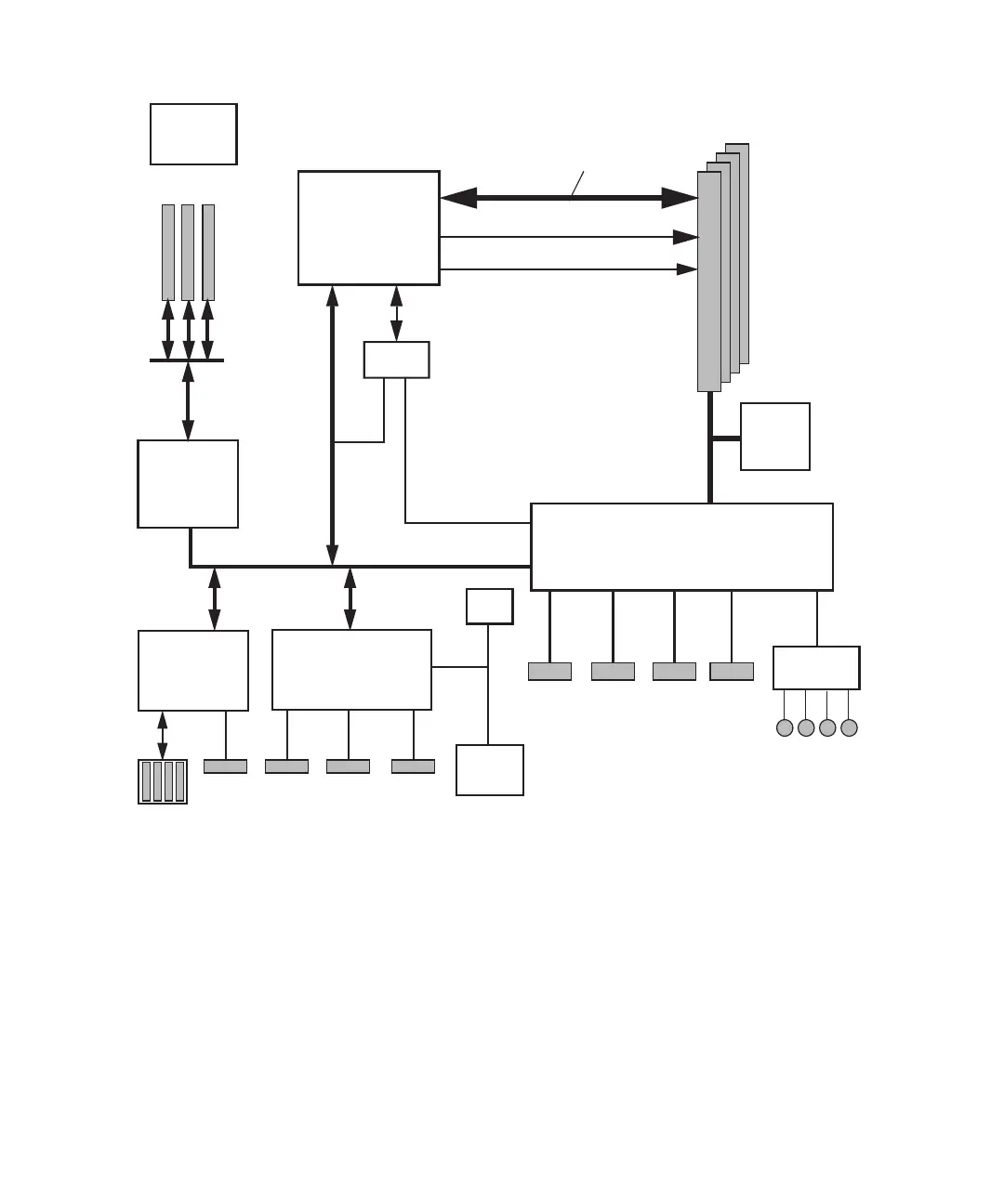
C-2 Sun Blade 150 Service Manual June 2002
FIGURE C-1 Sun Blade 150 System Functional Block Diagram
3.3V, 33 MHz PCI
SVGA
OpenBoot
PROM
CPU
Clock
Control
I-Chip2
SDRAM
PCIO-2 ASIC
Encoded
Interrupts
PCI
Bridge
Audio
Line out
Line in
Headphone
Mic
TOD
ATA66
IDE
AC97
DIMM
72
ADDR[12:0]
DATA
SDRAM_CLKs
Parallel
Port
Serial
Port
Decoded IRQs
Graphics
Interface
SouthBridge SuperI/O
ASIC
Smart
Card
Reader
1394
(2)
5V, 33MHz PCI
SM Bus
(I2C)
EBus
USB
(4)
Ethernet
10/100
RJ-45
Diskette
Drive
HDD
(2)
PCI Sockets
Flash
PROM
PCI Ints
PME#

Table of Contents

Other manuals for Sun Microsystems SUN BLADE 150

Related product manuals