EasyManua.ls Logo

Swegon GOLD RX - The Components of the Air Handling Units

Swegon GOLD RX
196 pages
Print Icon
To Next Page IconTo Next Page
To Next Page IconTo Next Page
To Previous Page IconTo Previous Page
To Previous Page IconTo Previous Page
Loading...
GB.GOLDSKE.160901
www.swegon.com 5
We reserve the right to alter specifications without notice.
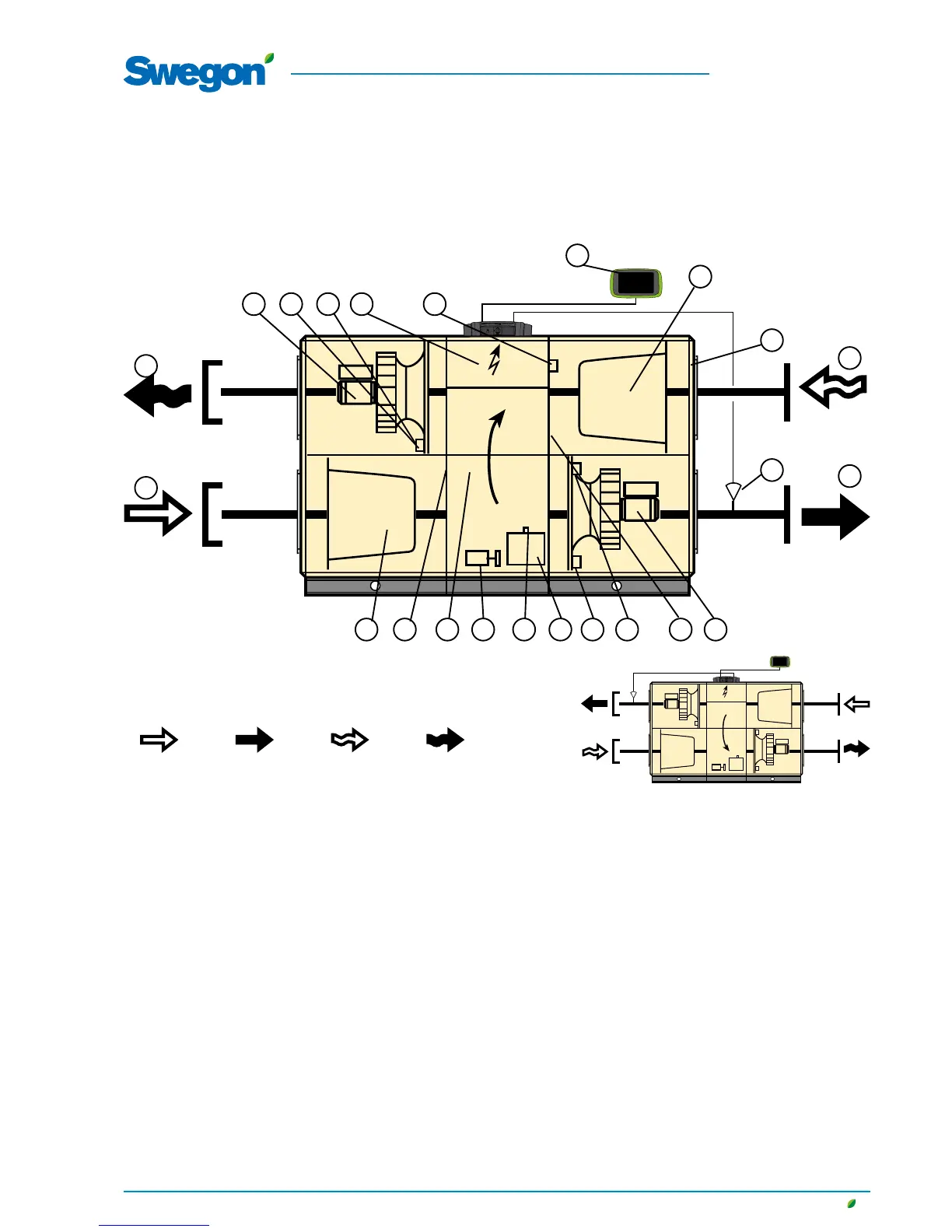
2.7 The Components of the Air Handling Units
2.7.1 GOLD RX one-piece air handling unit with rotary heat exchanger
The individual components are each specified below in a simplified and diagrammatical description.
GOLD 04-120: The air handling units can be ordered in the right-
hand version as shown in Fig. 1a or in the left-hand version as
shown in Fig. 1b.
GOLD 12-120: The air handling unit in Fig. 1a shows Fan
Arrangement 1. The unit can also be ordered according to Fan
Arrangement 2. The fans and filters are then vertically mirror-
inverted.
In the left-hand version (Fig. 1b), the components marked with
an asterisk change function and designation (the components
are named according to whether they are for supply air or extract
air).
The arrangement of the components
and their designations
1 OUTDOOR AIR* (In left-hand version: Extract air)
2 EXHAUST AIR* (In left-hand version: Supply air)
3 Extract air fan* with motor and motor controller
4 Pressure sensor, extract air fan* (Position on function selec-
tor switch = 1)
5 Pressure sensor, supply air filter* (Position on function selec-
tor switch = 3)
6 Electrical equipm. cubicle with control unit
7 Pressue sensor, heat exchanger
(Position on function selector switch = B)
8 IQnavigator hand-held terminal
9 Extract air filter*
10 Commissioning plate (Left-hand unit version - by left-hand
filter section)
11 Temperature sensor, supply air (to be mounted in supply air
duct)
12 EXTRACT AIR* (In left-hand version: Outdoor air)
13 SUPPLY AIR* (In left-hand version: Exhaust air)
14 Supply air filter*
15 Temperature sensor, outdoor air*
16 Heat exchanger
17 Drive motor, heat exchanger
18 Rotation monitor sensor
19 Heat exchanger control unit
20 Pressure sensor, supply air fan* (Position on function selec-
tor switch = 2)
21 Pressure sensor, extract air filter* (Position on function selec-
tor switch = 4)
22 Temperature sensor, extract air*
23 Supply air fan* with motor and motor controller
Fig. 1a
Right-hand version
Left-hand version
Fig. 1b
Outdoor air Supply air Extract air Exhaust air
1
2
3 4 5 6
8
11
9
10
12
13
15 16 17 18 19 20 21 22 2314
7

Table of Contents

Other manuals for Swegon GOLD RX

Related product manuals