EasyManua.ls Logo

Textron JACOBSEN GP400 - Hydraulic System - Gas & Diesel

Textron JACOBSEN GP400
354 pages
To Next Page IconTo Next Page
To Next Page IconTo Next Page
To Previous Page IconTo Previous Page
To Previous Page IconTo Previous Page
Loading...
4-16 4252490-Rev A
ELECTRICAL
4
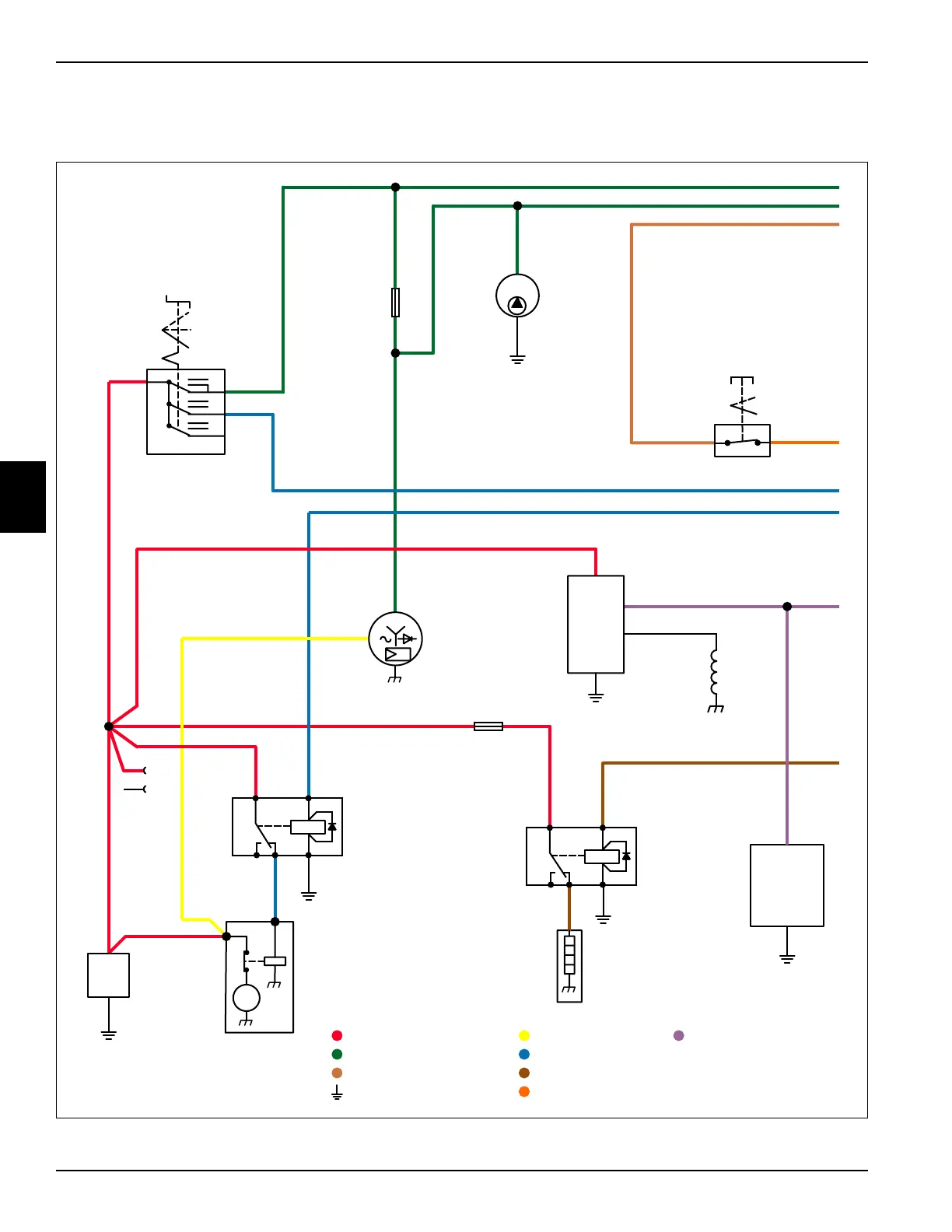
Diesel Engine Circuit Schematic
See Figures 4-6 and 4-7.
Figure 4-6
Yel
Wht Splice 3
Splice 7 Splice 7
Splice 3
8787A 85
8630
Blk
Blk
Blk
(1)
(3)
(10)
(4)
Lt Grn/
Red
Wht/
Red
K1
Start
Relay
M1
Starter
Motor
M
Blk
G1
Battery
Brn
G
U
3
Brn
Brn
Brn
Brn
(7)
(1)
Brn
(2) Lt Grn/Brn Lt Grn/Brn
(4) Brn/Org
Brn
Splice 1
Fuse
Block
Terminals
(Not Used)
Brn Brn/Red
Grn
G2
Alternator
F7
40A
Fuse
Y1
Fuel
Shutoff
Solenoid
F4
10A
Fuse
Brn/
Red
Brn/
Blu
Lt Grn
Blk
K2
Glow
Plug
Relay
A2
Fuel
Shutoff
Timer
R1
Glow
Plugs
8787A 85
8630
Lt Grn/RedLt Grn/Red
Lt Grn
Wht/Red
Wht/Red
Brn
V+
Input
Output
Gnd
Lt Grn/
Brn
+12V
Gnd
H1
Hour
Meter
Yel/Brn
S4
Seat
Switch
On
Off
Yel
S1
Key
Switch
Off
Run
Start
A
B
C
D
Wht
Wht/Red
Blk
M
M2
Fuel
Pump
Grn
Unswitched Power Circuit
Switched Power Circuit
5V Power Circuit
Ground Circuit
Charging Circuit
Start Circuit
Glow Plug Circuit
Interlock Circuit
Engine Run Circuit
(+)
(-)
TN3074

Table of Contents

Other manuals for Textron JACOBSEN GP400

Related product manuals