EasyManua.ls Logo

WEG CFW-09 - Page 158

WEG CFW-09
362 pages
Print Icon
To Next Page IconTo Next Page
To Next Page IconTo Next Page
To Previous Page IconTo Previous Page
To Previous Page IconTo Previous Page
Loading...
159
CHAPTER 6 - DETAILED PARAMETER DESCRIPTION
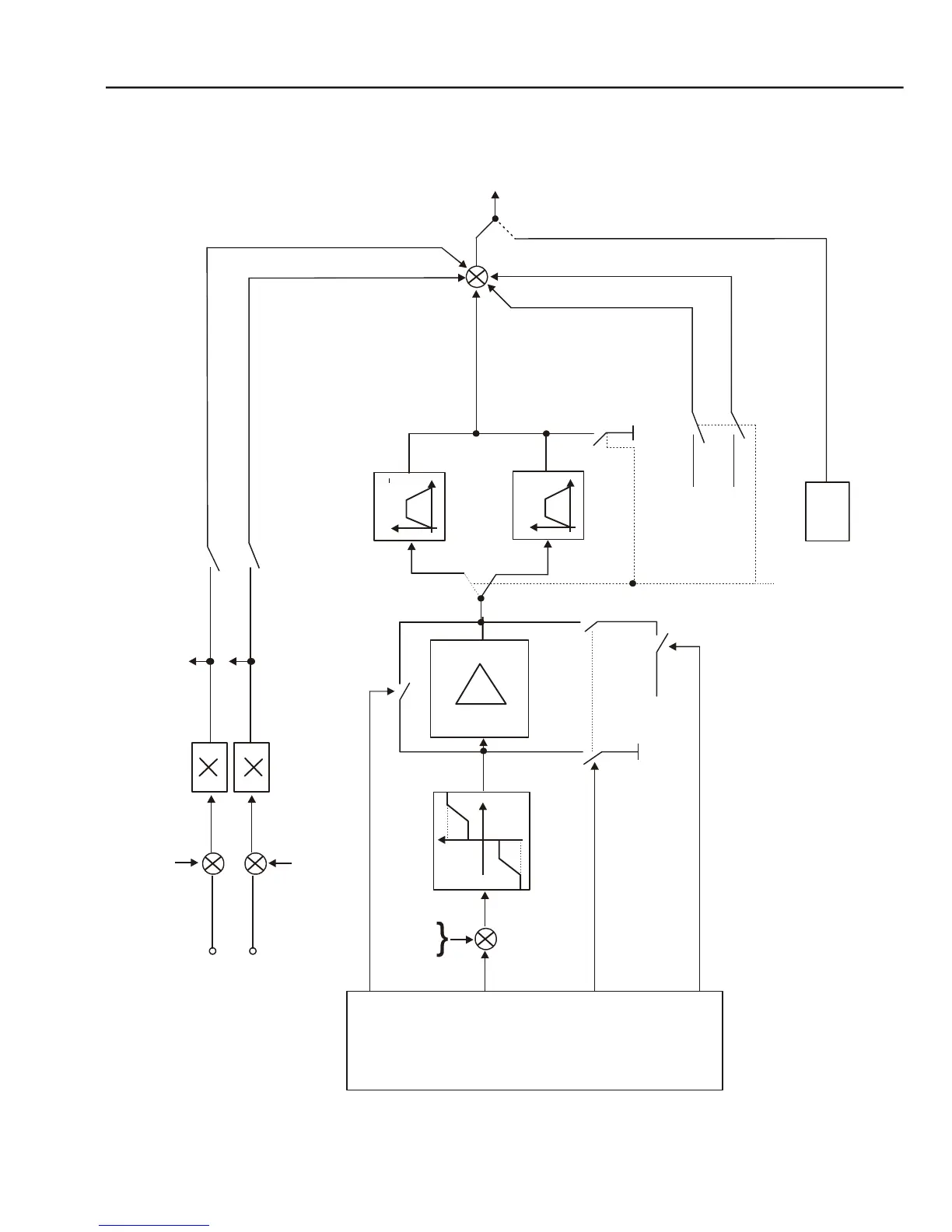
Figure 6.26
- Block diagram of the speed reference
AI2
AI3
P240
P244
P238
P242
P019
P020
JOG+
(*)
JOG-
(*)
2
a
JOG
-1
JOG
P134
P133
P133
P134
+
+
+
-
P122
P001
P123
P122
PLC
P221 = 11 and Local or
P222 = 11 and Remoto (PLC)
P237 = 1- After Ramp Ref. (P237 = N* w/o ramp)
(*)
P241 = 1- After Ramp Ref. (P241 = N* w/o ramp)
(*)
Total
Reference
P103-DECEL
P102-ACCEL
Accel/Decel. Ramp 2
Fast
Stop
Accel/Decel. Ramp
Digital Input (DIx)
Commands
FWD/REV
Start/Stop
Reference
Limits
Commands
and
Reference
Refer to
figure 6.25.
OFFSET:
P163 - LOC
P164-REM
Reference
P134 = Max.Ref.
P133 = Min. Ref.
P101-DECEL
P100-ACCEL
(*)
Valid only for P202 = 3 and 4.

Table of Contents