EasyManua.ls Logo

WEG CFW-09 - Page 159

WEG CFW-09
362 pages
Print Icon
To Next Page IconTo Next Page
To Next Page IconTo Next Page
To Previous Page IconTo Previous Page
To Previous Page IconTo Previous Page
Loading...
160
CHAPTER 6 - DETAILED PARAMETER DESCRIPTION
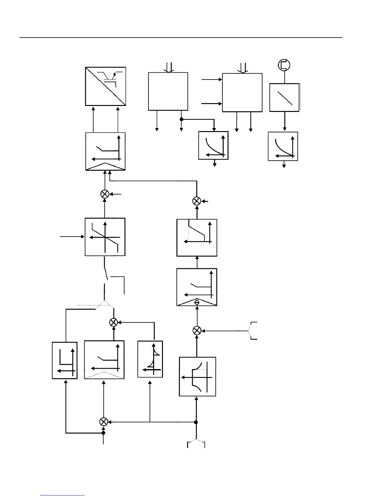
Figure 6.27 a)
- Block diagram of the Vector Control
Gp = P161
GI= P162
n1
-
n2
nEC
IMR
Ys
IMR*/Ys*
-
P179
P177
P202
Id*
-
Id
n2
Estimated speed
Ys
Stator Flux
Tr
12 ms
n1
Iq
Id
-
Iq*
Iq
PPR
Iq
Id
F
n
TRANSF.
Encoder
TRANSF.
Is
PWM
PWM
USd*
USq*
n
Total
Reference
Encoder Sensorless
Flux Regulator
Gp = P175
GI= P176
Current Regulator
Gp = P167
GI= P168
P297 = Switch Fq.
Speed Regulator
Gp = 1.00
GI = 0.00
Command via DIx
P178= Nominal Flux
P180= nFW
P202
AI2, AI3/P237, P241 = 2 -Max. Torque Current
P169= Max. FWDT
P170 = Max. REVT
Torque Current
Iq
Excitation Cur.
Id
IMR
Magnetizing
Current
P405= PPR
Us
(Speed/Torque Control
refer to table 6.40)
Sensorless
w/ encoder
Ride-Through = OFF
Ride-
Through = ON
Refer to fig. 6.42
P165
Gd = P166
-
+

Table of Contents