EasyManua.ls Logo

WEG CFW-09 - Page 161

WEG CFW-09
362 pages
Print Icon
To Next Page IconTo Next Page
To Next Page IconTo Next Page
To Previous Page IconTo Previous Page
To Previous Page IconTo Previous Page
Loading...
162
CHAPTER 6 - DETAILED PARAMETER DESCRIPTION
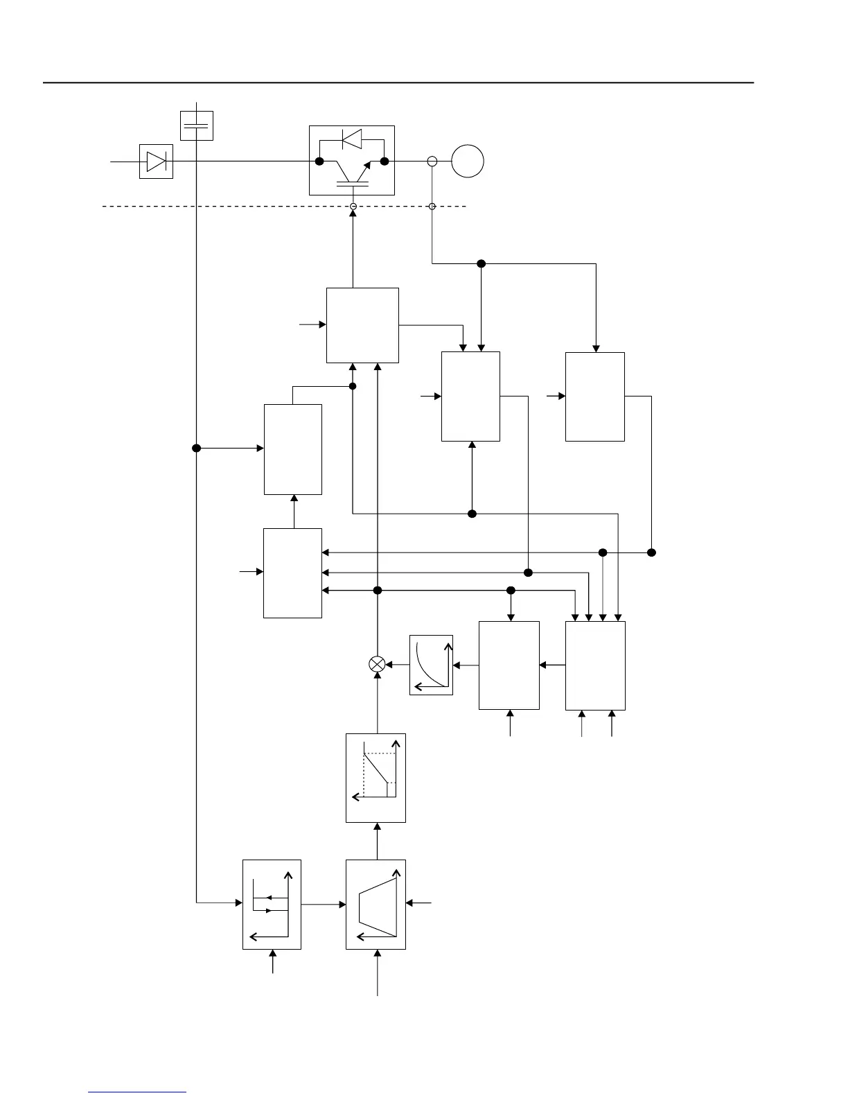
Figure 6.27 c)
- Block diagram of the VVW Control
P202 = 5 (VVW Control
)
U
d
P151
U
d
DC Voltage
Regulator
Hold
P100-104
t
Filter
+
+
Reference
(Refer to
figure 6.25)
P134
P133
P403
f
slip
Calculate f
slip
f
o
T
L
/T
R
,S
R
f
o
l
a
l
o
m
Estimated
Torque
P404, P399,
P401, P409,
P402, P403
U
d
l
o
Calculate l
o
i
v
, i
w
P295
l
a
i
v
, i
w
Calculate l
a
m
P295
Sextant
angle
f
o
m
PWM
i
v
, i
w
Space Vector
Modulation
PWM
FWD/
REV
f
o
l
a
l
o
Flux Control
m*
U
d
Line
Output
compensation
voltage
U
d
P400, P403,
P401, P407,
P409, P178
l
o
MI
3
P151
t

Table of Contents