EasyManua.ls Logo

Avery Dennison SNAP 500 - Page 113

Avery Dennison SNAP 500
146 pages
Print Icon
To Next Page IconTo Next Page
To Next Page IconTo Next Page
To Previous Page IconTo Previous Page
To Previous Page IconTo Previous Page
Loading...
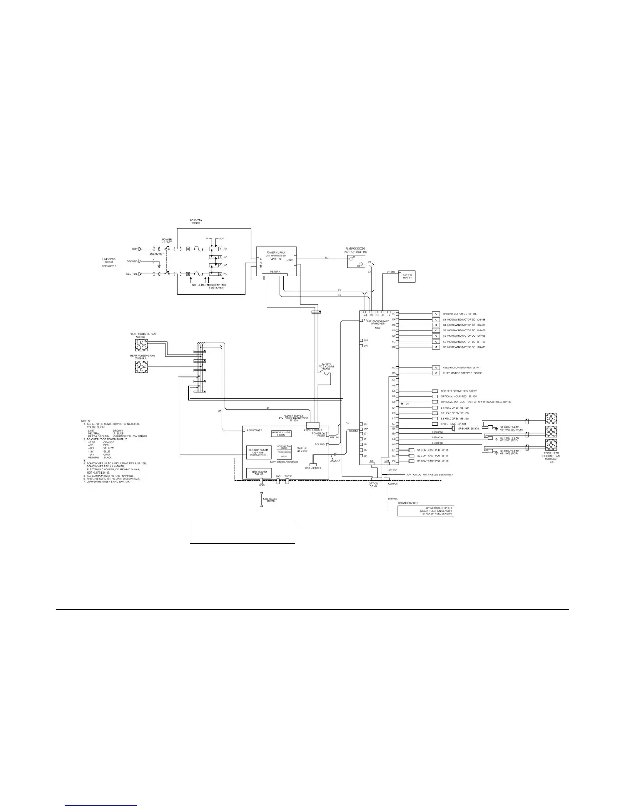
User’s Manual—SNAP™ 500 Gen 1 and Gen 2 113
Classification: Avery Dennison - Public
Mother Board P/N
05589027

Table of Contents

Other manuals for Avery Dennison SNAP 500

Related product manuals